Сообщения без ответов | Активные темы
| Автор |
Сообщение |
|
RL1L
|
Заголовок сообщения: Re: ГУ-50 с 3 общими сетками. вопрос. Добавлено: Чт 24 мар 2016 10:12 |
|
Зарегистрирован: Пт 26 фев 2016 21:49 Сообщений: 1160 Откуда: Славянка
|
|
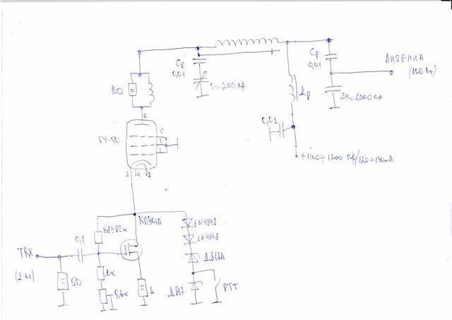
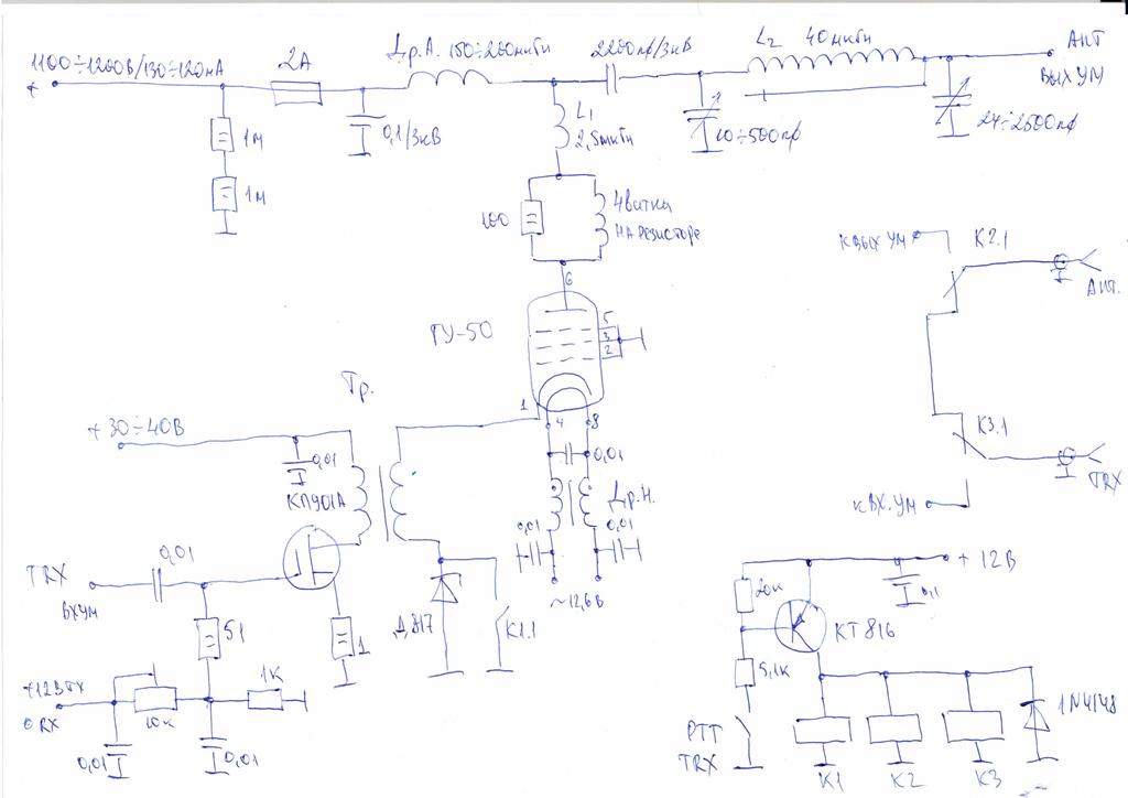
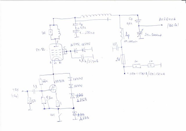
Вот набросал схемку специально "заточенную" для ВЧ диапазонов. Все очень просто, применена последовательная схема питания, влияния емкости дросселя нет, требования к качеству дросселя простые. Но особенность схемы в следующем: на переменные конденсаторы одновременно действует и постоянное и переменное напряжение, для этого стоят разделительные конденсаторы Ср=0.01мкф для снятия постоянной состовляющей, их рабочее напряжение должно быть в несколько раз больше напряжения питания. Так же все элементы п-контура находятся под большим напряжением, требуется осторожность при настройке и эксплуатации.
| Вложения: |

УМ на ГУ-50-1.jpg [ 39.62 Кб | Просмотров: 35816 ]
|
_________________ Анатолий Анатольевич. ex.( RA0C, EY9AF, RA6XPL, RA6PS, RA6PGY).
|
|
| Вернуться наверх |
|
 |
|
RL1L
|
Заголовок сообщения: Re: ГУ-50 с 3 общими сетками. вопрос. Добавлено: Чт 24 мар 2016 14:18 |
|
Зарегистрирован: Пт 26 фев 2016 21:49 Сообщений: 1160 Откуда: Славянка
|
|
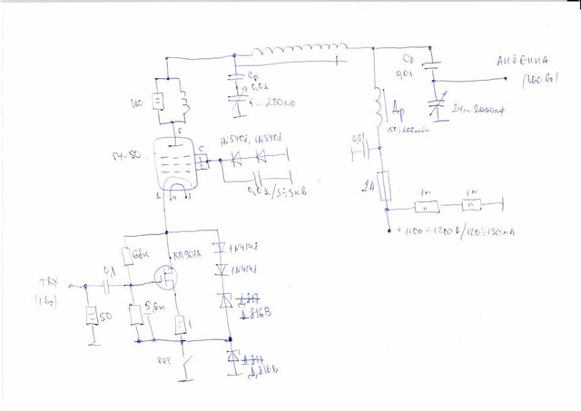
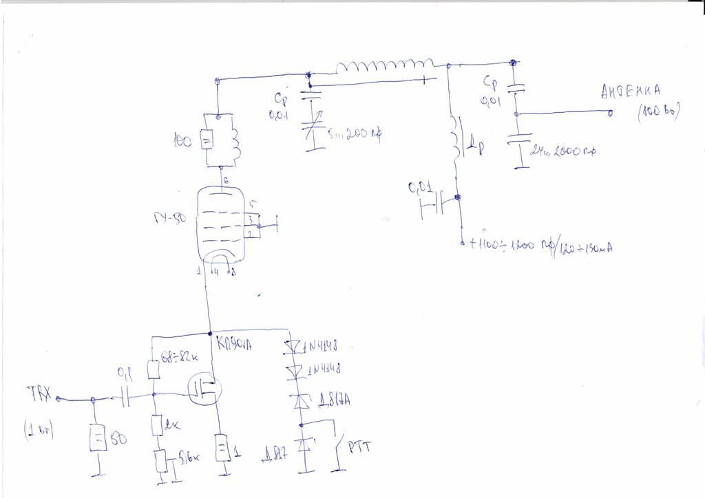
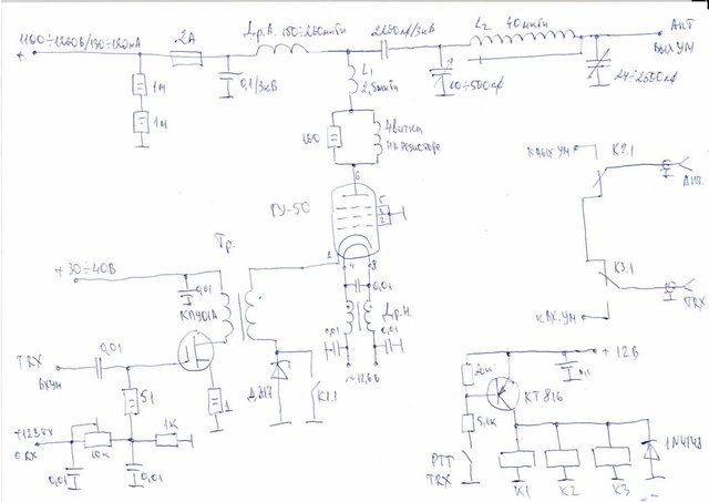
Вот набросал схемку с измененой PTT и элементами защиты от прострелов. На предыдущих схемах PTT не дорисовано и ни кто не указал на оплошность, В тех схемах сколько угодно можно переключать РТТ ни чего не произойдет. Ведь при размыкании РТТ дополнительно подключается стабилитрон и увеличивает напряжение смещения до -50В и запирает лампу, а смещение которое задовалось через транзистор отключается. Стабилитроны тоже выбрал с меньшим напряжением стабилизации, ведь у КП901 максимальное напряжение сток-исток 70В. Элементы защиты от прострелов это два диода и конденсатор в сетках, предохранитель на 2А и два сопротивления по 1М.
| Вложения: |

УМ на ГУ-50-2.jpg [ 41.83 Кб | Просмотров: 35777 ]
|
_________________ Анатолий Анатольевич. ex.( RA0C, EY9AF, RA6XPL, RA6PS, RA6PGY).
|
|
| Вернуться наверх |
|
 |
|
RL1L
|
Заголовок сообщения: Re: ГУ-50 с 3 общими сетками. вопрос. Добавлено: Чт 24 мар 2016 17:02 |
|
Зарегистрирован: Пт 26 фев 2016 21:49 Сообщений: 1160 Откуда: Славянка
|
|
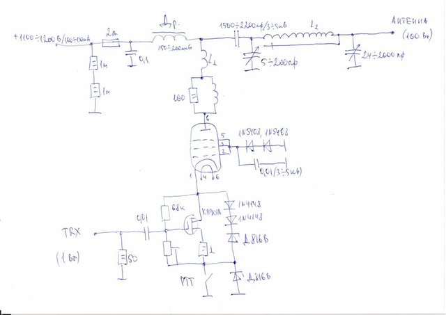
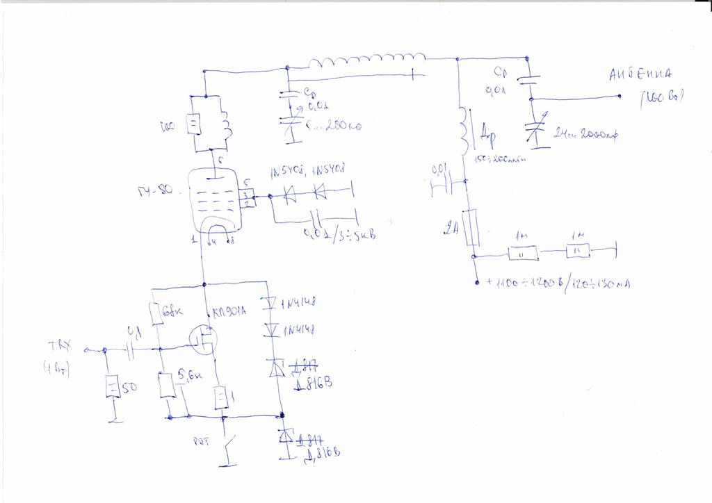
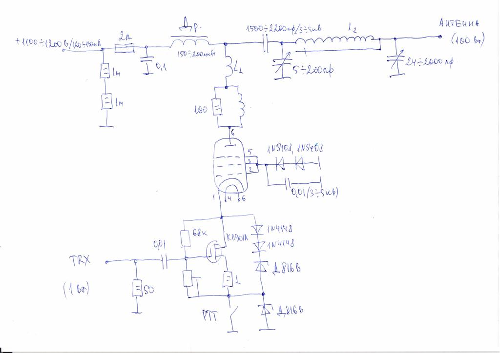
Вот набросал схемку с последовательно-параллельным питанием, И на 10м хорошо и 160м отлично должен работать. Катушка 10м диапазона сделана отдельно, получилось два ФНЧ, один это емкость лампы и монтажа, далее катушка L1 следом емкость дросселя и 5-200пф, потом катушка L2 и емкость 24-2000пф.
| Вложения: |

УМ на ГУ-50-3.jpg [ 45.43 Кб | Просмотров: 35755 ]
|
_________________ Анатолий Анатольевич. ex.( RA0C, EY9AF, RA6XPL, RA6PS, RA6PGY).
|
|
| Вернуться наверх |
|
 |
|
RL1L
|
Заголовок сообщения: Re: ГУ-50 с 3 общими сетками. вопрос. Добавлено: Пт 25 мар 2016 10:42 |
|
Зарегистрирован: Пт 26 фев 2016 21:49 Сообщений: 1160 Откуда: Славянка
|
|
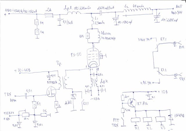
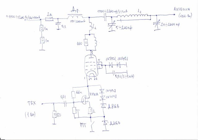
Вот набросал схемку. Добавлен накальный дроссель и схема управления РТТ от трансивера. Дроссель необходим для того, чтобы емкость катод-накал с увеличением частоты не шунтировала входное сопротивление лампы.
| Вложения: |

УМ на ГУ-50-4.jpg [ 58.9 Кб | Просмотров: 35714 ]
|
_________________ Анатолий Анатольевич. ex.( RA0C, EY9AF, RA6XPL, RA6PS, RA6PGY).
|
|
| Вернуться наверх |
|
 |
|
RL1L
|
Заголовок сообщения: Re: ГУ-50 с 3 общими сетками. вопрос. Добавлено: Пт 25 мар 2016 13:06 |
|
Зарегистрирован: Пт 26 фев 2016 21:49 Сообщений: 1160 Откуда: Славянка
|
|
Вот эквивалентная схема фильтра на 28МГц, расчитанная в ручную и смоделированная в RFSim99. Катушка на 2.5 мкГн - это катушка L1 на схеме, емкость 12пф - это емкость лампы+емкость монтажа, 259пф - это емкость в "горячем конце", следом часть основной катушки и емкость в "холодном конце".
_________________ Анатолий Анатольевич. ex.( RA0C, EY9AF, RA6XPL, RA6PS, RA6PGY).
|
|
| Вернуться наверх |
|
 |
|
RL1L
|
Заголовок сообщения: Re: ГУ-50 с 3 общими сетками. вопрос. Добавлено: Пт 25 мар 2016 13:25 |
|
Зарегистрирован: Пт 26 фев 2016 21:49 Сообщений: 1160 Откуда: Славянка
|
|
Вот расчет П-фильтра, точнее его первой части, переход от 6кОм к 50 Ом, потом к нему был добавлен еще кусок расчитанный в Filtor Solutions 2009 и смоделирован в RFSim99. Сам расчет представляет собой расчет П-контура, поэтому по такому принципу можно расчитать контур на остальные диапазоны.
_________________ Анатолий Анатольевич. ex.( RA0C, EY9AF, RA6XPL, RA6PS, RA6PGY).
|
|
| Вернуться наверх |
|
 |
|
RL1L
|
Заголовок сообщения: Re: ГУ-50 с 3 общими сетками. вопрос. Добавлено: Пт 25 мар 2016 13:35 |
|
Зарегистрирован: Пт 26 фев 2016 21:49 Сообщений: 1160 Откуда: Славянка
|
|
Вот сам расчет.
| Вложения: |

20160325_121656.jpg [ 72.14 Кб | Просмотров: 35689 ]
|
_________________ Анатолий Анатольевич. ex.( RA0C, EY9AF, RA6XPL, RA6PS, RA6PGY).
|
|
| Вернуться наверх |
|
 |
|
RL1L
|
Заголовок сообщения: Re: ГУ-50 с 3 общими сетками. вопрос. Добавлено: Пн 28 мар 2016 11:54 |
|
Зарегистрирован: Пт 26 фев 2016 21:49 Сообщений: 1160 Откуда: Славянка
|
|
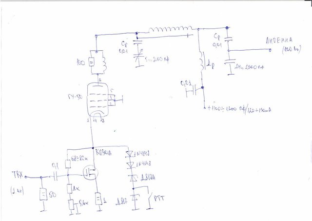
Вот набросал схемку с отдельным питанием транзистора. Теперь можно выставлять оптимальные режимы работы лампы и транзистора по отдельности. Так же это позволит более просто перейти на бестрансформаторное питание анода.
| Вложения: |

УМ на ГУ-50_5.jpg [ 61.92 Кб | Просмотров: 35612 ]
|
_________________ Анатолий Анатольевич. ex.( RA0C, EY9AF, RA6XPL, RA6PS, RA6PGY).
|
|
| Вернуться наверх |
|
 |
|
RL1L
|
Заголовок сообщения: Re: ГУ-50 с 3 общими сетками. вопрос. Добавлено: Пт 01 апр 2016 22:02 |
|
Зарегистрирован: Пт 26 фев 2016 21:49 Сообщений: 1160 Откуда: Славянка
|
|
Все расчеты приводятся только для одной лампы. Для 2-х, 3-х, 4-х, 5-и, и 6-и ламп все проще, там Rа=3;2;1.5;1.2;1 ком соответственно, так что можно п-фильтор делать по параллельной схеме.При этом выходная емкость будет меняться от 20;30;40;50;60 пф соответственно.
_________________ Анатолий Анатольевич. ex.( RA0C, EY9AF, RA6XPL, RA6PS, RA6PGY).
|
|
| Вернуться наверх |
|
 |
|
UA1AAP
|
Заголовок сообщения: Re: ГУ-50 с 3 общими сетками. вопрос. Добавлено: Сб 02 апр 2016 10:43 |
|
Зарегистрирован: Вт 04 май 2010 00:00 Сообщений: 1095 Откуда: Санкт-Петербург, Осиновая роща
|
|
День добрый! Подскажите, 7 ножку - внутри ламповый экран, ГУ-50, тоже на землю сажать?
_________________ QTH LOC: KP50DC RDA: SP-03
|
|
| Вернуться наверх |
|
 |
|
RL1L
|
Заголовок сообщения: Re: ГУ-50 с 3 общими сетками. вопрос. Добавлено: Сб 02 апр 2016 12:07 |
|
Зарегистрирован: Пт 26 фев 2016 21:49 Сообщений: 1160 Откуда: Славянка
|
UA1AAP писал(а): День добрый! Подскажите, 7 ножку - внутри ламповый экран, ГУ-50, тоже на землю сажать? Нет пускай в воздухе висит. Можно не подключать.
_________________ Анатолий Анатольевич. ex.( RA0C, EY9AF, RA6XPL, RA6PS, RA6PGY).
|
|
| Вернуться наверх |
|
 |
|
UB3IBL
|
Заголовок сообщения: Re: ГУ-50 с 3 общими сетками. вопрос. Добавлено: Пт 21 авг 2020 01:51 |
|
Зарегистрирован: Пт 21 авг 2020 01:43 Сообщений: 17
|
|
Здравствуйте. С интересом прочитал всю тему, спасибо. Для себя собрал ум на 3 гу-50 с ОС, питание 930 в, бестрансформаторное, но согласование входа хромает, ксв 1.8 на всех диапазонах. Очень заинтересовала последняя схема с кп901а на входе. Возможно ли её использовать с 3мя полтинниками? И какие данные шпт? Заранее благодарен!
|
|
| Вернуться наверх |
|
 |
|
RL1L
|
Заголовок сообщения: Re: ГУ-50 с 3 общими сетками. вопрос. Добавлено: Пт 21 авг 2020 10:04 |
|
Зарегистрирован: Пт 26 фев 2016 21:49 Сообщений: 1160 Откуда: Славянка
|
|
А зачем лишние детали. Если у Вас бестрансформаторное питание, то по всякому на входе стоит разделительный трансформатор 1:1, вот просто его переделайте в трансформатор 1:1.8, а именно это будет ШПТ с отношением витков 3:4. Возьмите два провода МГТФ 0.75 мм кв. и скрутите вместе, далее на ферритовом кольце К20х10х6 М1000-1500, намотайте сдвоенным, скрученным проводом три витка, а затем одинарным еще один виток. Обмотка с тремя витками это 50-Омная, а с четырьмя витками это 90-Омная Какие у Вас есть ферритовые кольца или трубки? Есть еще вариант это на входе установить П-контур. Он и с трансформирует 90 Ом входного сопротивления УМ к 50 Омам трансивера. Ориентировочные данные П-контура: конденсатор (со стороны 50 Ом) - 35 пФ, конденсатор (со стороны 90 Ом) - 58 пФ) и катушка 0.320 мкГн (4 витка провода ПЭВ-2 диаметром 1.6, на оправке 20 мм с шагом 5 мм). При этом надо учитывать входную емкость УМ, поэтому конденсатор на 58 пФ надо будет уменьшить на эту емкость (это где-то 30 пФ).
| Вложения: |

123.jpg [ 13.49 Кб | Просмотров: 24689 ]
|
_________________ Анатолий Анатольевич. ex.( RA0C, EY9AF, RA6XPL, RA6PS, RA6PGY).
|
|
| Вернуться наверх |
|
 |
|
UB3IBL
|
Заголовок сообщения: Re: ГУ-50 с 3 общими сетками. вопрос. Добавлено: Пт 21 авг 2020 10:24 |
|
Зарегистрирован: Пт 21 авг 2020 01:43 Сообщений: 17
|
RL1L писал(а): А зачем лишние детали. Если у Вас бестрансформаторное питание, то по всякому на входе стоит разделительный трансформатор 1:1, вот просто его переделайте в трансформатор 1:1.8, а именно это будет ШПТ с отношением витков 3:4. Возьмите два провода МГТФ 0.75 мм кв. и скрутите вместе, далее на ферритовом кольце К20х10х6 М1000-1500, намотайте сдвоенным, скрученным проводом три витка, а затем одинарным еще один виток. Обмотка с тремя витками это 50-Омная, а с четырьмя витками это 90-Омная Какие у Вас есть ферритовые кольца или трубки? Есть еще вариант это на входе установить П-контур. Он и с трансформирует 90 Ом входного сопротивления УМ к 50 Омам трансивера. Ориентировочные данные П-контура: конденсатор (со стороны 50 Ом) - 35 пФ, конденсатор (со стороны 90 Ом) - 58 пФ) и катушка 0.320 мкГн (4 витка провода ПЭВ-2 диаметром 1.6, на оправке 20 мм с шагом 5 мм). При этом надо учитывать входную емкость УМ, поэтому конденсатор на 58 пФ надо будет уменьшить на эту емкость (это где-то 30 пФ).
|
|
| Вернуться наверх |
|
 |
|
UB3IBL
|
Заголовок сообщения: Re: ГУ-50 с 3 общими сетками. вопрос. Добавлено: Пт 21 авг 2020 10:28 |
|
Зарегистрирован: Пт 21 авг 2020 01:43 Сообщений: 17
|
|
Прошу прощения, неверно цитировал Ваш текст. Кольца есть 2000нм, трубки мониторные 700 мю. С п контуром идея понравилась, но не соображу, как это конструктивно будет выглядеть на схеме с 3мя гу-50. Спасибо.
|
|
| Вернуться наверх |
|
 |
Кто сейчас на форуме |
Сейчас этот форум просматривают: нет зарегистрированных пользователей и гости: 1 |
|
Вы не можете начинать темы Вы не можете отвечать на сообщения Вы не можете редактировать свои сообщения Вы не можете удалять свои сообщения Вы не можете добавлять вложения
|
|