Сообщения без ответов | Активные темы
| Автор |
Сообщение |
|
UB1AJU
|
Заголовок сообщения: Re: КСВ-метр своими руками Добавлено: Чт 24 мар 2016 00:23 |
|
Зарегистрирован: Ср 17 фев 2016 23:37 Сообщений: 743 Откуда: Locator: KO59CU
|
|
Собрана вторая деталь волновода - разъемы с центральным проводником. В торцах засверлены отверстия, забиты гнезда от 2РТТ. В UHF разъемы запаяны ответные штыри. Пока все - как задумано.
| Вложения: |

20160323_231058_1024x768.jpg [ 73.87 Кб | Просмотров: 10900 ]
|
_________________ Знай я раньше то, что я знаю теперь, я бы не знал этого. (с) Станислав Ежи Лец
|
|
| Вернуться наверх |
|
 |
|
UB1AJU
|
Заголовок сообщения: Re: КСВ-метр своими руками Добавлено: Сб 26 мар 2016 00:34 |
|
Зарегистрирован: Ср 17 фев 2016 23:37 Сообщений: 743 Откуда: Locator: KO59CU
|
|
Ответвитель (длина каждого плеча по 20 мм) вставлен в волновод, датчик полностью собран. Подобрана измерительная головка типа М1690А. Ожидаются ГД507 в детектор.
| Вложения: |

20160325_231346_1024x768.jpg [ 119.76 Кб | Просмотров: 10834 ]
|
_________________ Знай я раньше то, что я знаю теперь, я бы не знал этого. (с) Станислав Ежи Лец
|
|
| Вернуться наверх |
|
 |
|
RL1L
|
Заголовок сообщения: Re: КСВ-метр своими руками Добавлено: Сб 26 мар 2016 11:24 |
|
Зарегистрирован: Пт 26 фев 2016 21:49 Сообщений: 1163 Откуда: Славянка
|
|
Хороший получается ксв метр, почему волновое сопротивление 48 ом?
_________________ Анатолий Анатольевич. ex.( RA0C, EY9AF, RA6XPL, RA6PS, RA6PGY).
|
|
| Вернуться наверх |
|
 |
|
UB1AJU
|
Заголовок сообщения: Re: КСВ-метр своими руками Добавлено: Сб 26 мар 2016 11:45 |
|
Зарегистрирован: Ср 17 фев 2016 23:37 Сообщений: 743 Откуда: Locator: KO59CU
|
RL1L писал(а): Почему волновое сопротивление 48 ом? Нашел два варианта расчета, формулы несколько отличаются. По одной получилось 48,5 Ом, по второй - чуть больше 50.
_________________ Знай я раньше то, что я знаю теперь, я бы не знал этого. (с) Станислав Ежи Лец
|
|
| Вернуться наверх |
|
 |
|
UB1AJU
|
Заголовок сообщения: Re: КСВ-метр своими руками Добавлено: Сб 26 мар 2016 11:51 |
|
Зарегистрирован: Ср 17 фев 2016 23:37 Сообщений: 743 Откуда: Locator: KO59CU
|
|
Вариант 1: Z=59,952ln(1,0787D/d) Вариант 2: Z=138lg(D/d)/sqrt(e) D - внутренняя сторона волновода, d - диаметр центрального проводника е - диэлектрическая проницаемость
_________________ Знай я раньше то, что я знаю теперь, я бы не знал этого. (с) Станислав Ежи Лец
|
|
| Вернуться наверх |
|
 |
|
RL1L
|
Заголовок сообщения: Re: КСВ-метр своими руками Добавлено: Сб 26 мар 2016 11:52 |
|
Зарегистрирован: Пт 26 фев 2016 21:49 Сообщений: 1163 Откуда: Славянка
|
|
Совершенно верно при заданных размерах программка AppCad показала 51.5 ома. Какая длина ксв метра?
_________________ Анатолий Анатольевич. ex.( RA0C, EY9AF, RA6XPL, RA6PS, RA6PGY).
|
|
| Вернуться наверх |
|
 |
|
RL1L
|
Заголовок сообщения: Re: КСВ-метр своими руками Добавлено: Сб 26 мар 2016 11:55 |
|
Зарегистрирован: Пт 26 фев 2016 21:49 Сообщений: 1163 Откуда: Славянка
|
|
Вторая формула для круглых волноводов.
_________________ Анатолий Анатольевич. ex.( RA0C, EY9AF, RA6XPL, RA6PS, RA6PGY).
|
|
| Вернуться наверх |
|
 |
|
UB1AJU
|
Заголовок сообщения: Re: КСВ-метр своими руками Добавлено: Сб 26 мар 2016 11:55 |
|
Зарегистрирован: Ср 17 фев 2016 23:37 Сообщений: 743 Откуда: Locator: KO59CU
|
|
Длина 195 мм. Меня, правда, несколько смутило, что первая формула приводится и для случая круглого волновода, и для квадратного.
_________________ Знай я раньше то, что я знаю теперь, я бы не знал этого. (с) Станислав Ежи Лец
|
|
| Вернуться наверх |
|
 |
|
UB1AJU
|
Заголовок сообщения: Re: КСВ-метр своими руками Добавлено: Сб 26 мар 2016 12:01 |
|
Зарегистрирован: Ср 17 фев 2016 23:37 Сообщений: 743 Откуда: Locator: KO59CU
|
RL1L писал(а): Вторая формула для круглых волноводов. Потерял уже ссылку, откуда взял, там была какая-то книжка по телевизионным антеннам.
_________________ Знай я раньше то, что я знаю теперь, я бы не знал этого. (с) Станислав Ежи Лец
|
|
| Вернуться наверх |
|
 |
|
UB1AJU
|
Заголовок сообщения: Re: КСВ-метр своими руками Добавлено: Сб 26 мар 2016 12:08 |
|
Зарегистрирован: Ср 17 фев 2016 23:37 Сообщений: 743 Откуда: Locator: KO59CU
|
RL1L писал(а): При заданных размерах программка AppCad показала 51.5 ома. Интересная программка, поставил. Действительно, 51,5 Ом.
_________________ Знай я раньше то, что я знаю теперь, я бы не знал этого. (с) Станислав Ежи Лец
|
|
| Вернуться наверх |
|
 |
|
RL1L
|
Заголовок сообщения: Re: КСВ-метр своими руками Добавлено: Сб 26 мар 2016 12:16 |
|
Зарегистрирован: Пт 26 фев 2016 21:49 Сообщений: 1163 Откуда: Славянка
|
|
При равных условиях прямоугольный волновод имеет меньшую емкость т.к. углы удалены от центрального проводника, волновое сопротивление определяется как корень квадратный из отношения индуктивности и емкости, поэтому емкость меньше волновое сопротивление больше.
_________________ Анатолий Анатольевич. ex.( RA0C, EY9AF, RA6XPL, RA6PS, RA6PGY).
|
|
| Вернуться наверх |
|
 |
|
RL1L
|
Заголовок сообщения: Re: КСВ-метр своими руками Добавлено: Сб 26 мар 2016 12:21 |
|
Зарегистрирован: Пт 26 фев 2016 21:49 Сообщений: 1163 Откуда: Славянка
|
|
Подобным образом сделан очень хороший измеритель мощности и ксв BIRD-43. У него сменные ответвители на разные полосы частот.
_________________ Анатолий Анатольевич. ex.( RA0C, EY9AF, RA6XPL, RA6PS, RA6PGY).
|
|
| Вернуться наверх |
|
 |
|
RL1L
|
Заголовок сообщения: Re: КСВ-метр своими руками Добавлено: Сб 26 мар 2016 12:30 |
|
Зарегистрирован: Пт 26 фев 2016 21:49 Сообщений: 1163 Откуда: Славянка
|
|
В идеале можно было бы на противоположной стороне сделать ответвители на 435мгц. С одной стороны 145мгц с другой 435мгц с более короткими ответвителями, тогда на обоих диапазонах будет одинаковый уровень напряжения, а измерительную головку можно переключать. Тогда откалибровав ксв метр и измеритель мощности, шкала на обоих диапазонах будет совпадать.
_________________ Анатолий Анатольевич. ex.( RA0C, EY9AF, RA6XPL, RA6PS, RA6PGY).
|
|
| Вернуться наверх |
|
 |
|
RL1L
|
Заголовок сообщения: Re: КСВ-метр своими руками Добавлено: Сб 26 мар 2016 20:40 |
|
Зарегистрирован: Пт 26 фев 2016 21:49 Сообщений: 1163 Откуда: Славянка
|
|
Диоды можно применить и д310, д311, если уровень мощности будет большой можно и кремневые диоды 1N4841, кд522.
_________________ Анатолий Анатольевич. ex.( RA0C, EY9AF, RA6XPL, RA6PS, RA6PGY).
|
|
| Вернуться наверх |
|
 |
|
UB1AJU
|
Заголовок сообщения: Re: КСВ-метр своими руками Добавлено: Сб 26 мар 2016 22:42 |
|
Зарегистрирован: Ср 17 фев 2016 23:37 Сообщений: 743 Откуда: Locator: KO59CU
|
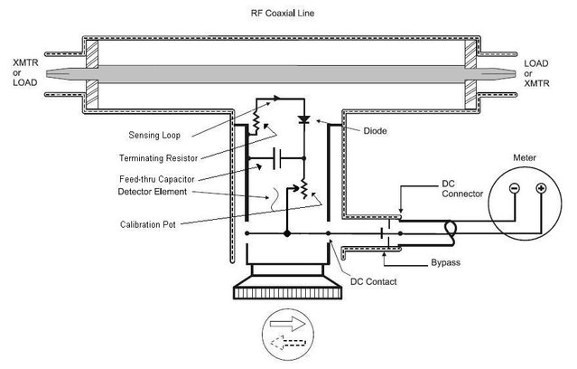
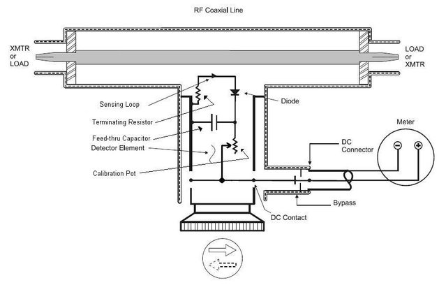
RL1L писал(а): Диоды можно применить и д310, д311, если уровень мощности будет большой можно и кремневые диоды 1N4841, кд522. Дизайн BIRD-043 оценил - штука стильная. Но это не главное, а главное - как она сделана. Во-первых, как я понял из схемы, отвод всего один, и его надо крутить. Второе - калибровка очень простая: реостатом. Вроде бы можно вообще обойтись в моем самодельном приборе одним датчиком и откалиброваться набором реостатов с переключателя (да хоть обычного галетника шестьдесят лохматого года) - сигнал-то продетектирован, сглажен, по сути постоянный ток. Я правильно мыслю? Диодов типа Д310, Д311 у меня уже нет, я их лет 15 назад выбросил, остались Д9, но у меня как-то не поднимается рука их использовать на 433 МГц.
| Вложения: |

bird_sch.jpg [ 49.42 Кб | Просмотров: 10743 ]
|

birddigital3.jpg [ 28.18 Кб | Просмотров: 10743 ]
|
_________________ Знай я раньше то, что я знаю теперь, я бы не знал этого. (с) Станислав Ежи Лец
|
|
| Вернуться наверх |
|
 |
Кто сейчас на форуме |
Сейчас этот форум просматривают: нет зарегистрированных пользователей и гости: 2 |
|
Вы не можете начинать темы Вы не можете отвечать на сообщения Вы не можете редактировать свои сообщения Вы не можете удалять свои сообщения Вы не можете добавлять вложения
|
|