Сообщения без ответов | Активные темы
|
Страница 1 из 1
|
[ Сообщений: 9 ] |
|
| Автор |
Сообщение |
|
DL1AIE
|
Заголовок сообщения: USB Добавлено: Чт 17 ноя 2016 18:29 |
|
 |
| Site Webmaster |
 |
Зарегистрирован: Вс 17 фев 2008 01:00 Сообщений: 4528 Откуда: JO40ME
|
|
Коллеги, кто хорошо знаком со спецификацией USB, подскажите.
Есть хитрая проприетарная железка, к которой подключается 4G модем. Железка установлена в автомобиле. Периодически модем отваливается - просто гаснет. Происходит это, как правило, в движении, при слабом сигнале. Без движения может стабильно работать сутками.
Есть предположение, что модему банально не хватает тока по питанию. Подключить его через USB хаб с внешним источником питания нельзя - проприетарная железка не поддерживает USB хабы. Заменить модем нельзя - другие модели и производители не поддерживаются.
Вопрос. Можно ли запитать означенный модем от внешнего источника, откинув +5в, идущий от USB порта проприетарной железки? Насколько я помню, в USB есть некое управление питанием и подсчет потребления...
Спасибо.
_________________ Владислав ex RA1AIE
|
|
| Вернуться наверх |
|
 |
|
RD1AP
|
Заголовок сообщения: Re: USB Добавлено: Чт 17 ноя 2016 19:05 |
|
Зарегистрирован: Сб 03 янв 2009 01:00 Сообщений: 1020 Откуда: KO59EU
|
|
Можно. Контроль есть с точки зрения ограничения тока. USB1, USB2 - 500 mA, USB3 - 900 mA. Запитывать от отдельного источника USB устройства обычная практика, мы так свои разработки питаем, и порт "отдыхает" и нам спокойнее. 73!
_________________ RD1AP / OH2FUW<br>ex UA1ACE<br>
|
|
| Вернуться наверх |
|
 |
|
DL1AIE
|
Заголовок сообщения: Re: USB Добавлено: Чт 17 ноя 2016 23:32 |
|
 |
| Site Webmaster |
 |
Зарегистрирован: Вс 17 фев 2008 01:00 Сообщений: 4528 Откуда: JO40ME
|
|
То есть достаточно подключить D+, D- и GND, а питание можно подать от отдельного источника, я правильно понял?
_________________ Владислав ex RA1AIE
|
|
| Вернуться наверх |
|
 |
|
RD1AP
|
Заголовок сообщения: Re: USB Добавлено: Пт 18 ноя 2016 08:25 |
|
Зарегистрирован: Сб 03 янв 2009 01:00 Сообщений: 1020 Откуда: KO59EU
|
|
Да.
_________________ RD1AP / OH2FUW<br>ex UA1ACE<br>
|
|
| Вернуться наверх |
|
 |
|
RD1AP
|
Заголовок сообщения: Re: USB Добавлено: Пт 18 ноя 2016 08:35 |
|
Зарегистрирован: Сб 03 янв 2009 01:00 Сообщений: 1020 Откуда: KO59EU
|
|
Правда у нас свой драйвер. Чтобы не было заморочки я бы нагрузил порт на 200ма, для того чтобы система думала что есть внешнее устройство. Просто при подключении чего либо в порт возникает ток и система начинает детектить устройство, пытаясь понять что это. Так что резистор 27ом 2вт не помешает. 73!
_________________ RD1AP / OH2FUW<br>ex UA1ACE<br>
|
|
| Вернуться наверх |
|
 |
|
RL1L
|
Заголовок сообщения: Re: USB Добавлено: Пт 18 ноя 2016 10:29 |
|
Зарегистрирован: Пт 26 фев 2016 21:49 Сообщений: 1162 Откуда: Славянка
|
|
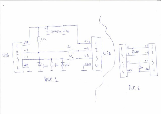
Известно, что логический уровень характеризуется определенным диапазоном напряжений. Между логическими уровнями находится зона неопределенности. Свободный вход микросхемы, особенно высокоомный, может, под воздействием помех, в процессе работы устройства, оказываться в различных состояниях. Так напряжение помехи может интерпретироваться как лог.1, лог.0, или попасть в зону неопределенности. Часто это приводит к сбоям в работе схемы. Этот факт обязывает подключать неиспользуемые входы с помощью сопротивлений к плюсу или минусу источника питания, или "подтягивать" их. На рисунке два варианта, первый по сложней, второй по проще.
| Вложения: |

USB порт.jpg [ 38.94 Кб | Просмотров: 15580 ]
|
_________________ Анатолий Анатольевич. ex.( RA0C, EY9AF, RA6XPL, RA6PS, RA6PGY).
|
|
| Вернуться наверх |
|
 |
|
RL1L
|
Заголовок сообщения: Re: USB Добавлено: Пт 18 ноя 2016 12:22 |
|
Зарегистрирован: Пт 26 фев 2016 21:49 Сообщений: 1162 Откуда: Славянка
|
|
Да еще небольшое дополнение к выше сказанному. Если модем отваливается в движение автомобиля, а когда стоит на месте все нормально, то причиной может быть помехи которые создает система зажигания или бортовая электроника и скорее всего они просачиваются по питанию. Необходимо улучшить фильтрацию, установит какой нибудь фильтр по питанию, применить экранированные провода с ферритовыми защелками и т.д., при этом конечно установить "подтягивающие" сопротивления, как правило производитель их не устанавливает. Если без движения работает сутками, то с током потребления скорее все нормально, если бы были проблемы, то отваливался.
_________________ Анатолий Анатольевич. ex.( RA0C, EY9AF, RA6XPL, RA6PS, RA6PGY).
|
|
| Вернуться наверх |
|
 |
|
RA1CAG
|
Заголовок сообщения: Re: USB Добавлено: Сб 19 ноя 2016 11:11 |
|
Зарегистрирован: Вт 22 ноя 2011 00:44 Сообщений: 1424 Откуда: Eastside Murino
|
Если от системы зажигания идет импульсная помеха (легко проверить простым приемником с АМ), то имеет смысл её проверить. При наличии индивидуальных катушек зажигания: 1. Проверить исправность гасящего резистора в каждой катушке. 2. Проверить отсутствие пробоя через изолятор высоковольтного поводка. 3. Проверить отсутствия масла в свечных колодцах. Мало ли через сальник колодца давануло. При наличии общей катушки зажигания: 1. Проверить целостность экранов ВВ проводов (способов море, включая не самые гуманные  . 2. Проверить гасящий резистор в ВВ поводке. 3-4. Масло и пробой как выше. Окисленное масло в колодце реально может дать проблем, лично сталкивался с тем, что на MR20DE от этого ECU выдавал ошибку EEPROM и скидывался на заводские. В сами общие катушки я не лазил, но там обязательно должна быть схема фильтрации, хотя бы банально - резистор с кондёром. Что за ДВС в машине?
|
|
| Вернуться наверх |
|
 |
|
DL1AIE
|
Заголовок сообщения: Re: USB Добавлено: Сб 19 ноя 2016 14:36 |
|
 |
| Site Webmaster |
 |
Зарегистрирован: Вс 17 фев 2008 01:00 Сообщений: 4528 Откуда: JO40ME
|
|
Пару раз проблема ловилась при выключенном двигателе, так что этот вариант отпадает.
_________________ Владислав ex RA1AIE
|
|
| Вернуться наверх |
|
 |
|
Страница 1 из 1
|
[ Сообщений: 9 ] |
|
Кто сейчас на форуме |
Сейчас этот форум просматривают: нет зарегистрированных пользователей и гости: 2 |
|
Вы не можете начинать темы Вы не можете отвечать на сообщения Вы не можете редактировать свои сообщения Вы не можете удалять свои сообщения Вы не можете добавлять вложения
|
|