Текущее время: Чт 23 апр 2026 16:53

Часовой пояс: UTC + 3 часа [ Летнее время ]






Начать новую тему Ответить на тему  [ Сообщений: 3 ] 
Автор Сообщение
 Заголовок сообщения: Интерфейс для "попугая" aka DVK
СообщениеДобавлено: Вс 07 фев 2021 13:21 
Не в сети

Зарегистрирован: Вт 02 май 2017 15:39
Сообщений: 238
Откуда: KO59FW
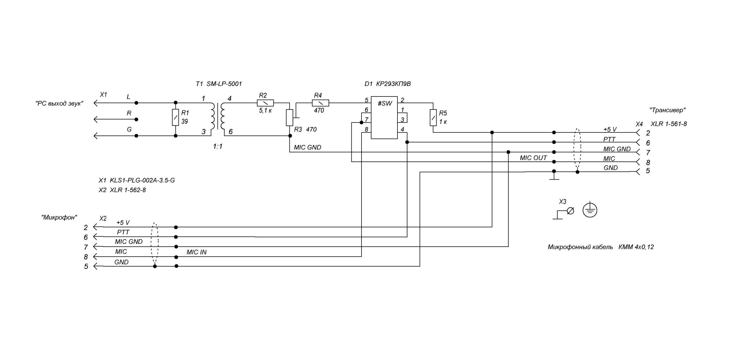
Еще раз поделюсь с коллегами своим творчеством типа "не спеша, за выходные..." :)

Интерфейс для "попугая" aka DVK изготовлен для подачи на микрофонный вход трансивера либо сигнала DVK, либо сигнала микрофона. PTT трансивера управляется компьютером через CAT интерфейс. При нажатии клавиши PTT на микрофоне "попугай" отключается и в эфир идет сигнал с микрофона, таким образом аппаратно реализована логика "оператор с микрофоном всегда главнее любых попугаев".

Регулировка устройства заключается в подборе резистором R3 такого уровня сигнала "попугая", чтобы не возникало перегрузки микрофонного тракта трансивера.
Вложение:
DVK interface medium.JPG
DVK interface medium.JPG [ 99.25 Кб | Просмотров: 12718 ]


Вложение:
DVK intro.jpg
DVK intro.jpg [ 200.2 Кб | Просмотров: 12718 ]
Вложение:
DVK view.jpg
DVK view.jpg [ 79.63 Кб | Просмотров: 12718 ]

_________________
73, Влад RM1F


Вернуться наверх
 Профиль  
 
 Заголовок сообщения: Re: Интерфейс для "попугая" aka DVK
СообщениеДобавлено: Пн 08 фев 2021 12:43 
Не в сети

Зарегистрирован: Сб 16 авг 2008 00:00
Сообщений: 4129
Откуда: Ligovo
Попытался понять принцип действия.

DVK = Digital Voice Keyer for SSB contests or voice beacon.
На русский неточный перевод "цифровой магнитофон-манипулятор для SSB соревнований или голосового маяка".

"Попугай" = "CQ parrot".

Вариант КР293КП9В (аналог Panasonic AQW614S) - один выход 5,6 нейтрально разомкнут (ПК выход звук)
другой 7,8 замкнут (микрофон закорочен).

Вложение:
rele.png
rele.png [ 9.41 Кб | Просмотров: 12619 ]


При нажатии клавиши PTT в тангенте в ней "ptt" сажается на землю "ptt gnd".
При этом, 4 нога сажается на землю, и ситуация обратная:
- реле выход "попугая" 5,6 с ПК (компьютера) закорачивает на землю (через гальваническую развязку).
- размыкаются контакты 7,8. Выход микрофона теперь не закорочен.


Вернуться наверх
 Профиль  
 
 Заголовок сообщения: Re: Интерфейс для "попугая" aka DVK
СообщениеДобавлено: Пн 08 фев 2021 15:00 
Не в сети

Зарегистрирован: Вт 02 май 2017 15:39
Сообщений: 238
Откуда: KO59FW
Только наоборот :) В КР293КП9В контакты 5,6 "нормально замкнутые" - проходное сопротивление 20-30 Ом (измерено!), контакты 7,8 - "нормально разомкнутые". В нейтральном состоянии клавиши PTT сигнал со звукового выхода ПК проходит на микрофонный вход трансивера, микрофон же отключен. При нажатии клавиши PTT линия "PTT" на разъеме X2 сажается на "землю", и ситуация обратная: контакты 5,6 размыкаются, контакты 7,8 замыкаются. ПК принудительно отключается, сигнал микрофона подается на трансивер.

_________________
73, Влад RM1F


Вернуться наверх
 Профиль  
 
Показать сообщения за:  Сортировать по:  
Начать новую тему Ответить на тему  [ Сообщений: 3 ] 

Часовой пояс: UTC + 3 часа [ Летнее время ]


Кто сейчас на форуме

Сейчас этот форум просматривают: нет зарегистрированных пользователей и гости: 4


Вы не можете начинать темы
Вы не можете отвечать на сообщения
Вы не можете редактировать свои сообщения
Вы не можете удалять свои сообщения
Вы не можете добавлять вложения

Найти:
Перейти:  
Анализ сайта онлайн
Powered by phpBB © 2000, 2002, 2005, 2007 phpBB Group
Русская поддержка phpBB