Сообщения без ответов | Активные темы
| Автор |
Сообщение |
|
UB1AJU
|
Заголовок сообщения: Re: КСВ-метр своими руками Добавлено: Вт 29 мар 2016 12:47 |
|
Зарегистрирован: Ср 17 фев 2016 23:37 Сообщений: 743 Откуда: Locator: KO59CU
|
|
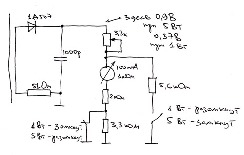
Все режимы приведены вот для такой схемы. В принципе, работает и на прямой волне балансируется очень плавно (я стремился задать пределы балансировки одинаковыми для 1 и 5 Вт, мне пока больше и не надо, ибо 3-я категория).
| Вложения: |

Untitled-1.jpg [ 42.3 Кб | Просмотров: 12074 ]
|
_________________ Знай я раньше то, что я знаю теперь, я бы не знал этого. (с) Станислав Ежи Лец
|
|
| Вернуться наверх |
|
 |
|
UB1AJU
|
Заголовок сообщения: Re: КСВ-метр своими руками Добавлено: Вт 29 мар 2016 13:38 |
|
Зарегистрирован: Ср 17 фев 2016 23:37 Сообщений: 743 Откуда: Locator: KO59CU
|
RL1L писал(а): UB1AJU писал(а): Вот эквивалентная схема КСВ метра. Такая схема плохо работает в широком диапазоне мощностей. Если будет прокачиваться 100 Вт мощности, то регулировка будет плавной, а вот на малых мощностях она становится "острой", что и наблюдается. Чуть тронешь потенциометр, и все, привет, стрелка соскакивает с "сотки". Я вот поэтому и добавил такую навеску из резисторов, чтобы один реостат использовать. Переключатель - тумблер с 2-мя направлениями.
_________________ Знай я раньше то, что я знаю теперь, я бы не знал этого. (с) Станислав Ежи Лец
|
|
| Вернуться наверх |
|
 |
|
RL1L
|
Заголовок сообщения: Re: КСВ-метр своими руками Добавлено: Вт 29 мар 2016 15:16 |
|
Зарегистрирован: Пт 26 фев 2016 21:49 Сообщений: 1154 Откуда: Славянка
|
UB1AJU писал(а): RL1L писал(а): UB1AJU писал(а): Вот эквивалентная схема КСВ метра. Такая схема плохо работает в широком диапазоне мощностей. Если будет прокачиваться 100 Вт мощности, то регулировка будет плавной, а вот на малых мощностях она становится "острой", что и наблюдается. Чуть тронешь потенциометр, и все, привет, стрелка соскакивает с "сотки". Я вот поэтому и добавил такую навеску из резисторов, чтобы один реостат использовать. Переключатель - тумблер с 2-мя направлениями. Настройка у КСВ метра "острой" не может быть,потому, что такого не может быть ни когда, эксплуатировал много КСВ метров, ставил и 68к и 100к, везде настройка была плавной, мимо последнего деления не проскакивал и без разницы какая мощность, это определяется измерительной головкой. Скорее всего, раз происходит скачкообразное изменение показаний на микроамперметре, переменное сопротивление плохого качества, т.е. резистивный слой, или стерся в некоторых местах, или плохой контакт отвода, или образовалась канавка на резистивном слое ну и т.д. и т.п. Надо установить новый(нормальный) резистор, или проверить этот 47к - подключить ом метр и крутить и смотреть, где "скакнет" сопротивление, но лучше установить другой. Если больше 5вт подаваться на ксв метр не будет, достаточно установить 15к и на ось резистора ручку с большим диаметром, на сколько позволяет воображение и размеры корпуса, плавность будет такая, что с утра можно начать, а к вечеру только закончить выставлять стрелку на последнее деление.
_________________ Анатолий Анатольевич. ex.( RA0C, EY9AF, RA6XPL, RA6PS, RA6PGY).
|
|
| Вернуться наверх |
|
 |
|
RL1L
|
Заголовок сообщения: Re: КСВ-метр своими руками Добавлено: Вт 29 мар 2016 15:32 |
|
Зарегистрирован: Пт 26 фев 2016 21:49 Сообщений: 1154 Откуда: Славянка
|
|
В посте выше опечатка не 15к, а 35к, тогда если сопротивление будет на максимуме, то стрелка должна быть где-то в середине шкалы, ну и при уменьшении, до 10-12к будет приближаться к 100 делению.
_________________ Анатолий Анатольевич. ex.( RA0C, EY9AF, RA6XPL, RA6PS, RA6PGY).
|
|
| Вернуться наверх |
|
 |
|
RL1L
|
Заголовок сообщения: Re: КСВ-метр своими руками Добавлено: Вт 29 мар 2016 15:59 |
|
Зарегистрирован: Пт 26 фев 2016 21:49 Сообщений: 1154 Откуда: Славянка
|
RL1L писал(а): В посте выше опечатка не 15к, а 35к, тогда если сопротивление будет на максимуме, то стрелка должна быть где-то в середине шкалы, ну и при уменьшении, до 10-12к будет приближаться к 100 делению. Это при 5вт, а при 1вт, если сопротивление на максимуме, то четверть шкалы и при уменьшении до 5ком будет приближаться к 100 делению. В одном случае изменение где-то в 3 раза, в другом в 7 раз, плавнее не придумаешь, рука крутить устанет.
_________________ Анатолий Анатольевич. ex.( RA0C, EY9AF, RA6XPL, RA6PS, RA6PGY).
|
|
| Вернуться наверх |
|
 |
|
R1BAT
|
Заголовок сообщения: Re: КСВ-метр своими руками Добавлено: Вт 29 мар 2016 18:54 |
|
Зарегистрирован: Пт 25 фев 2011 16:21 Сообщений: 2269 Откуда: QTH KP50KD
|
UB1ACC писал(а): Делал измеритель на укв диапазон. Датчик делал такой:  Извиняюсь за качество снято на камеру 0.3МР лет 8 назад... физика - направленный ответвитель на полосковых линиях. Изготовлен на двухстороннем стеклотекстолите. Диоды, конденсаторы и подстроечник с другой стороны припаяны. Работал нормально. Самое сложное это откалибровать измерительную головку и потом сделать/нарисовать шкалу. Если что файлик в *.LAY у меня есть. Я уже не помню с какого сайта я его взял... Но можно купить и набор для сборки у RV3YF 144-146МГц1-30МГц 200ВтА какую P max этот ксв метр пропустит через себя ?
_________________ +7 921 956 40 29
144 16 el 14-21-28 3 el
|
|
| Вернуться наверх |
|
 |
|
RL1L
|
Заголовок сообщения: Re: КСВ-метр своими руками Добавлено: Вт 29 мар 2016 20:27 |
|
Зарегистрирован: Пт 26 фев 2016 21:49 Сообщений: 1154 Откуда: Славянка
|
|
Вот программа Sprint layout5.0 посчитала,что при ширине проводника 2мм и толщине 35мик. максимальный ток будет составлять 6.2А. А так как нагрузка у нас 50 ом, то имеем ток в квадрате умножить на сопротивление= 1922вт, но это теоретически в жизни гораздо меньше, раза в два т.е можно ожидать, что ватт 500-800 выдержит, зависит от многих факторов.
| Вложения: |

ток.jpg [ 246.94 Кб | Просмотров: 11952 ]
|
_________________ Анатолий Анатольевич. ex.( RA0C, EY9AF, RA6XPL, RA6PS, RA6PGY).
|
|
| Вернуться наверх |
|
 |
|
UB1AJU
|
Заголовок сообщения: Re: КСВ-метр своими руками Добавлено: Вт 29 мар 2016 22:08 |
|
Зарегистрирован: Ср 17 фев 2016 23:37 Сообщений: 743 Откуда: Locator: KO59CU
|
RL1L писал(а): Вот программа Sprint layout5.0 посчитала,что при ширине проводника 2мм и толщине 35мик. максимальный ток будет составлять 6.2А. А так как нагрузка у нас 50 ом, то имеем ток в квадрате умножить на сопротивление= 1922вт, но это теоретически в жизни гораздо меньше, раза в два т.е можно ожидать, что ватт 500-800 выдержит, зависит от многих факторов. Автор (Беседин) рекомендует использовать эту штуку на мощности не более 100 Вт. Наверное все дело в скин-эффекте.
_________________ Знай я раньше то, что я знаю теперь, я бы не знал этого. (с) Станислав Ежи Лец
|
|
| Вернуться наверх |
|
 |
|
UB1AJU
|
Заголовок сообщения: Re: КСВ-метр своими руками Добавлено: Вт 29 мар 2016 23:40 |
|
Зарегистрирован: Ср 17 фев 2016 23:37 Сообщений: 743 Откуда: Locator: KO59CU
|
|
Таки доработал КСВ-метр, поставил тумблер "1 Вт/5 Вт", заменил потенциометр и переключатель прямой и отраженной волны. Теперь стрелка сразу встает около деления "100", реостатом ее плавненько ставлю на сотку. Сделал эквиваленты (фотку прикладываю). Правда, резистор на 100 Ом фактически оказался на 150 (перепроверил двумя приборами), добросил в параллель 330 Ом, стало четко 100. КСВ метр четко реагирует на рассогласование нагрузки:)
| Вложения: |

20160329_223006_1024x768.jpg [ 80.84 Кб | Просмотров: 11911 ]
|
_________________ Знай я раньше то, что я знаю теперь, я бы не знал этого. (с) Станислав Ежи Лец
|
|
| Вернуться наверх |
|
 |
|
UB1AJU
|
Заголовок сообщения: Re: КСВ-метр своими руками Добавлено: Ср 30 мар 2016 01:21 |
|
Зарегистрирован: Ср 17 фев 2016 23:37 Сообщений: 743 Откуда: Locator: KO59CU
|
|
Первое включение КСВ-метра на коаксиальной линии. Настроил по минимуму отраженной волны - 3% от прямой, меньше не получается. НО! Нагрузка также отличается от 50 Ом на 3% в большую сторону. Однозначная связь?
_________________ Знай я раньше то, что я знаю теперь, я бы не знал этого. (с) Станислав Ежи Лец
|
|
| Вернуться наверх |
|
 |
|
RL1L
|
Заголовок сообщения: Re: КСВ-метр своими руками Добавлено: Ср 30 мар 2016 11:27 |
|
Зарегистрирован: Пт 26 фев 2016 21:49 Сообщений: 1154 Откуда: Славянка
|
UB1AJU писал(а): RL1L писал(а): Вот программа Sprint layout5.0 посчитала,что при ширине проводника 2мм и толщине 35мик. максимальный ток будет составлять 6.2А. А так как нагрузка у нас 50 ом, то имеем ток в квадрате умножить на сопротивление= 1922вт, но это теоретически в жизни гораздо меньше, раза в два т.е можно ожидать, что ватт 500-800 выдержит, зависит от многих факторов. Автор (Беседин) рекомендует использовать эту штуку на мощности не более 100 Вт. Наверное все дело в скин-эффекте. Все дело в применяемых диодах и конденсаторах. Если установит конденсаторы на 100-200в рабочего напряжения не проблема, то например у диода ГД507А Uобратное около 20 вольт и если подать ну где-то ватт 500, это 158в с ответвлением в -17дб (8 раз) имеем около 20в, а учитывая, что диод меняет свои параметры под действием окружающей температуры ему наступит "финиш", поэтому и ограничивают можность 200 ваттами (на диодах где-то, 12в т.е в два раза меньше) и ток всего 2 ампера, всем хорошо.
_________________ Анатолий Анатольевич. ex.( RA0C, EY9AF, RA6XPL, RA6PS, RA6PGY).
|
|
| Вернуться наверх |
|
 |
|
RL1L
|
Заголовок сообщения: Re: КСВ-метр своими руками Добавлено: Ср 30 мар 2016 11:38 |
|
Зарегистрирован: Пт 26 фев 2016 21:49 Сообщений: 1154 Откуда: Славянка
|
|
Ток 2 ампера это через полосковую линию, т.е от разъема к разъему, а не через диод.
_________________ Анатолий Анатольевич. ex.( RA0C, EY9AF, RA6XPL, RA6PS, RA6PGY).
|
|
| Вернуться наверх |
|
 |
|
UB1AJU
|
Заголовок сообщения: Re: КСВ-метр своими руками Добавлено: Ср 30 мар 2016 12:08 |
|
Зарегистрирован: Ср 17 фев 2016 23:37 Сообщений: 743 Откуда: Locator: KO59CU
|
RL1L писал(а): Ток 2 ампера это через полосковую линию, т.е от разъема к разъему, а не через диод. Я имел печальный опыт пропускания через печатный проводник 35 мкм токов больше 10 А, пришлось специально заниматься технологий 105-микронной платы (а там своя специфика - подтравы и прочее).
_________________ Знай я раньше то, что я знаю теперь, я бы не знал этого. (с) Станислав Ежи Лец
|
|
| Вернуться наверх |
|
 |
|
UB1AJU
|
Заголовок сообщения: Re: КСВ-метр своими руками Добавлено: Ср 30 мар 2016 13:01 |
|
Зарегистрирован: Ср 17 фев 2016 23:37 Сообщений: 743 Откуда: Locator: KO59CU
|
|
А вот по опыту - какие получались реальные погрешности определения КСВ с помощью самодельной техники?
_________________ Знай я раньше то, что я знаю теперь, я бы не знал этого. (с) Станислав Ежи Лец
|
|
| Вернуться наверх |
|
 |
|
RL1L
|
Заголовок сообщения: Re: КСВ-метр своими руками Добавлено: Ср 30 мар 2016 17:32 |
|
Зарегистрирован: Пт 26 фев 2016 21:49 Сообщений: 1154 Откуда: Славянка
|
|
На УКВ сказать не могу, не сравнивал, а вот на КВ, где-то 5-10%. Делал КСВ метр из куска коаксиального кабеля, под оплеткой продевал два провода МГТФ, вместо диодов германиевые транзисторы (П416) включенные диодами т.е база с коллектором вместе, ну а эммитер отдельно, так вот, сначала нагрузочное сопротивление графитовое 10вт измерял на MFJ-259B (ксв=1), потом подключал к ксв метру и подбором нагрузочных ответвителей "ложил стрелку на 0" т.е ксв получался равен 1. Но на самом деле микроамперметр имеет свой класс точности, диоды тоже разные их ни кто не подбирает парами (ну как правило) сопротивления в ответвителях тоже имеют свой класс точности, так что везде по немногу и набегает. КСВ метры подобного уровня предназначены для оперативного и постоянного контроля нагрузки т.е. антенны, ну или согласованность с УМ.
_________________ Анатолий Анатольевич. ex.( RA0C, EY9AF, RA6XPL, RA6PS, RA6PGY).
|
|
| Вернуться наверх |
|
 |
Кто сейчас на форуме |
Сейчас этот форум просматривают: нет зарегистрированных пользователей и гости: 0 |
|
Вы не можете начинать темы Вы не можете отвечать на сообщения Вы не можете редактировать свои сообщения Вы не можете удалять свои сообщения Вы не можете добавлять вложения
|
|