Сообщения без ответов | Активные темы
| Автор |
Сообщение |
|
R1CJ
|
Заголовок сообщения: Малоламповый TRX, стОит или нет?... Добавлено: Ср 07 фев 2018 00:03 |
|
Зарегистрирован: Пт 03 июн 2016 22:51 Сообщений: 264 Откуда: Новое девяткино
|
Коллеги доброго времени суток. Мучают сомнения, может поможете советами?... Имеется у меня немножко радиоламп и ностальгическая тяга к ним. Руки чешутся собрать что-нибудь... Либо приёмник, либо трансивер малоламповый... Почитав форумы к оконечному мнению так и не пришёл. Смотрел отзывы про "Ангор-73", про малоламповый TRX на 6ф12П. Про Ангор - с его ПОС в УПЧ ругаются! "Малоламповый TRX" на 6Ф12П мне не особо нравится, что смесители на микросхемах (хочется ламповый, дак полностью ламповый) Но, извините конечно, что вот "вываливаю" вам свои (прямо скажем - бредовые) сомнения, но "меня терзают смутные сомнения"  А есть ли смысл в этом? Ну трансивер FT-891 есть, антенна (какая-никакая) и усилитель тоже... А чего я добьюсь в этом электромагнитном смоге по приёму? Сомневаюсь, что даже в ламповом трансивере я услышу чище эфир... А зачем тогда делать? (...а руки то чешутся! И любовь к лампам подогревает своими накалами)  Сразу скажу, "большой огород" с кучей галет городить не хочу. (типа UW3DI-1 или "Рубина") Хочется небольшой, 1-2 диапазона.... И чтобы лампам порадоваться. Но ещё одно сомнение - ГПД. Сейчас гораздо сложнее найти катушку для ГПД с вожжёным серебром, да и конденсаторы КСО, КТ с разными температурными коэффициентами Х.З. где искать... То есть, всяко будут проблемы со стабильностью. А я, как и многие уже привык, на импортных трансиверах с синтезаторами, выставил частоту и стоит, как вкопаная! В общем, весь в сомнениях, стоит ли заморачиваться? И какую схему тогда лучше выбрать? (может даже с ПЧ 500 кГц на ЭМФ-е) Работаю на КВ в основном CW на 7, 10, 14 мГц. Для диапазона 14 мГц, ПЧ будет низковата... Может кто сталкивался с похожей идеей - посоветуйте!
_________________ ...Скажу я то, что не пойму, что я сказал и почему...
|
|
| Вернуться наверх |
|
 |
|
R1BIX
|
Заголовок сообщения: Re: Малоламповый TRX, стОит или нет?... Добавлено: Ср 07 фев 2018 01:06 |
|
Зарегистрирован: Вт 18 сен 2007 00:00 Сообщений: 583 Откуда: Санкт-Петербург, Светлановский пр.
|
Александр я могу поменять вот это:  на комплект эмф(как на фото,"В" или "Н" не важно)+кварц на 500КГц+КПЕ. Либо я с платы демонтирую эти детали. Эта поделка - Трансивер "Альбатрос"Для полного счастья не хватает источника питания, звукового трансформатора, УМ на гу-29 и платки с полосовыми фильтрами и катушкой ГПД. Я хотел сделать на 80 и на 40м. Но уже почти год к этой поделке не прикасался. Не правильно оценил силы... и начал новый проект   Цитата: А есть ли смысл в этом? Наверное большинство из радиолюбителей сталкивалась с примерно таким вопросом: "А зачем эта рация с антенной? - ведь можно по телефону позвонить и/или в интернете написать". Вот тут примерно тоже самое. Хобби 
_________________ "Cтарость-это когда начинают замечать,что весь форум позасирали малолетки"(с) Александр. ex UB1ACC, RA1AIG, SP-028
|
|
| Вернуться наверх |
|
 |
|
feding
|
Заголовок сообщения: Re: Малоламповый TRX, стОит или нет?... Добавлено: Ср 07 фев 2018 15:11 |
|
Зарегистрирован: Сб 28 мар 2015 17:57 Сообщений: 395 Откуда: Скобаристан
|
|
UB1ACC, Александр, это ссылка на транзисторный вариант АЛЬБАТРОСа, а ваша плата - на лампах.
_________________ R1WBH
|
|
| Вернуться наверх |
|
 |
|
feding
|
Заголовок сообщения: Re: Малоламповый TRX, стОит или нет?... Добавлено: Ср 07 фев 2018 15:37 |
|
Зарегистрирован: Сб 28 мар 2015 17:57 Сообщений: 395 Откуда: Скобаристан
|
|
Эх, а шасси от UW3DI просит, чтобы детальки оказались на своих местах)))
_________________ R1WBH
|
|
| Вернуться наверх |
|
 |
|
R1BIX
|
Заголовок сообщения: Re: Малоламповый TRX, стОит или нет?... Добавлено: Ср 07 фев 2018 16:47 |
|
Зарегистрирован: Вт 18 сен 2007 00:00 Сообщений: 583 Откуда: Санкт-Петербург, Светлановский пр.
|
feding писал(а): UB1ACC, Александр, это ссылка на транзисторный вариант АЛЬБАТРОСа, а ваша плата - на лампах. Если почитать всю тему, то там будет очень много информации про ламповый вариант. Оттуда взяты схема, монтажная схема, и файл для изготовления печатной платы от RA4FRI. По uw3di - почти все детальки у меня есть. Именно тех времен. И журналы радио 5 и 6 за 1970г. Не хватает только катушки для ГПД и каркасов для катушек (их я сам наточу, если готовых не найду). Шасси еще не до конца готово. Не все отверстия просверлены и поэтому оно еще практически не обработано напильником.
_________________ "Cтарость-это когда начинают замечать,что весь форум позасирали малолетки"(с) Александр. ex UB1ACC, RA1AIG, SP-028
|
|
| Вернуться наверх |
|
 |
|
feding
|
Заголовок сообщения: Re: Малоламповый TRX, стОит или нет?... Добавлено: Ср 07 фев 2018 21:12 |
|
Зарегистрирован: Сб 28 мар 2015 17:57 Сообщений: 395 Откуда: Скобаристан
|
|
Да, Александр, Вы правы: большая , подробная ветка, с поправками и уточнениями. Каркасы от старых телевизоров пойдут?
_________________ R1WBH
|
|
| Вернуться наверх |
|
 |
|
ra6lc
|
Заголовок сообщения: Re: Малоламповый TRX, стОит или нет?... Добавлено: Вт 16 июн 2020 15:47 |
|
Зарегистрирован: Вс 14 июн 2020 17:12 Сообщений: 8
|
R1CJ писал(а): Коллеги доброго времени суток. Мучают сомнения, может поможете советами?... Имеется у меня немножко радиоламп и ностальгическая тяга к ним. Руки чешутся собрать что-нибудь... Либо приёмник, либо трансивер малоламповый... Почитав форумы к оконечному мнению так и не пришёл. Смотрел отзывы про "Ангор-73", про малоламповый TRX на 6ф12П. Про Ангор - с его ПОС в УПЧ ругаются! "Малоламповый TRX" на 6Ф12П мне не особо нравится, что смесители на микросхемах (хочется ламповый, дак полностью ламповый) Но, извините конечно, что вот "вываливаю" вам свои (прямо скажем - бредовые) сомнения, но "меня терзают смутные сомнения"  А есть ли смысл в этом? Ну трансивер FT-891 есть, антенна (какая-никакая) и усилитель тоже... А чего я добьюсь в этом электромагнитном смоге по приёму? Сомневаюсь, что даже в ламповом трансивере я услышу чище эфир... А зачем тогда делать? (...а руки то чешутся! И любовь к лампам подогревает своими накалами)  Сразу скажу, "большой огород" с кучей галет городить не хочу. (типа UW3DI-1 или "Рубина") Хочется небольшой, 1-2 диапазона.... И чтобы лампам порадоваться. Но ещё одно сомнение - ГПД. Сейчас гораздо сложнее найти катушку для ГПД с вожжёным серебром, да и конденсаторы КСО, КТ с разными температурными коэффициентами Х.З. где искать... То есть, всяко будут проблемы со стабильностью. А я, как и многие уже привык, на импортных трансиверах с синтезаторами, выставил частоту и стоит, как вкопаная! В общем, весь в сомнениях, стоит ли заморачиваться? И какую схему тогда лучше выбрать? (может даже с ПЧ 500 кГц на ЭМФ-е) Работаю на КВ в основном CW на 7, 10, 14 мГц. Для диапазона 14 мГц, ПЧ будет низковата... Может кто сталкивался с похожей идеей - посоветуйте! очень хорошая конструкция и великолепно работает, если хотите могу выложить фотографии
|
|
| Вернуться наверх |
|
 |
|
RL1L
|
Заголовок сообщения: Re: Малоламповый TRX, стОит или нет?... Добавлено: Вт 16 июн 2020 16:04 |
|
Зарегистрирован: Пт 26 фев 2016 21:49 Сообщений: 1163 Откуда: Славянка
|
|
Конечно выкладывайте и особенно фото внутренностей (если в корпусе).
_________________ Анатолий Анатольевич. ex.( RA0C, EY9AF, RA6XPL, RA6PS, RA6PGY).
|
|
| Вернуться наверх |
|
 |
|
UB1CDO
|
Заголовок сообщения: Re: Малоламповый TRX, стОит или нет?... Добавлено: Вт 16 июн 2020 21:19 |
|
Зарегистрирован: Ср 24 июл 2013 01:00 Сообщений: 419 Откуда: Сосновый Бор
|
|
Лучше собрать усилитель для колонок на лампах, от него хотя бы польза есть. А трансивер без математики... зачем он в сегодняшнем эфире? Я сделал ламповый усил, в корпусе фирмы гаинта, с хорошими регуляторами боурнс, на лампах 6п14п. Трансы готовые покупал в ТЭКе на петроградке, тороидальные. И главное я его использую почти каждый день.
_________________ ex UB1CDO
|
|
| Вернуться наверх |
|
 |
|
R1AIT
|
Заголовок сообщения: Re: Малоламповый TRX, стОит или нет?... Добавлено: Ср 17 июн 2020 13:05 |
|
Зарегистрирован: Ср 17 дек 2008 01:00 Сообщений: 1576 Откуда: Малая Охта
|
UB1ACC писал(а): Наверное большинство из радиолюбителей сталкивалась с примерно таким вопросом: "А зачем эта рация с антенной? - ведь можно по телефону позвонить и/или в интернете написать". Ответ очень простой: далеко не везде это возможно. Даже в Лен. области, мест, где покрытие сотовыми сетями оставляет желать много лучшего, довольно много. Кто в походы ходит, регулярно на них натыкается, причём, такие глухие пятна, бывают очень внушительных размеров. Про север и Сибирь даже не заикаюсь. Прошлым летом, за 10 дней конного похода по Алтаю, сотовая связь реально появлялась пару раз.
_________________ DE R1AIT / OH7FUV (2010) ex RA1AIT (2005-2010), UB5LQJ(1982), UB5-077-1242(1978-1982), ex op. UK5LBN (1978-1982).
|
|
| Вернуться наверх |
|
 |
|
UA1AQC
|
Заголовок сообщения: Re: Малоламповый TRX, стОит или нет?... Добавлено: Ср 17 июн 2020 14:59 |
|
Зарегистрирован: Вт 03 фев 2015 16:12 Сообщений: 218 Откуда: KO59ar Красное Село
|
|
А зачем технологии прошлого века возрождать? Лампы... Ну увч на входе , смеситель,PA.Но ГПД-это уже перебор.На сегодня ГПД без точности 10-1 ГЦ и стабильности в полгерца (для digital), а также без CAT и панорамы - анохронизм.Есть недорогие синтезаторы. Телеграфом когда работаю, приходится часто десятками ГЦ подбираться, чтобы тебя в куче услышали и ответили. А так - сделать и на полку поставить -сомнительное удовольствие. Из - за тепла частота будет закономерно плыть и выглядит это в эфире как рваные джинсы.
|
|
| Вернуться наверх |
|
 |
|
ra6lc
|
Заголовок сообщения: Re: Малоламповый TRX, стОит или нет?... Добавлено: Ср 17 июн 2020 18:04 |
|
Зарегистрирован: Вс 14 июн 2020 17:12 Сообщений: 8
|
RL1L писал(а): Конечно выкладывайте и особенно фото внутренностей (если в корпусе).
| Вложения: |

i (1).jpg [ 250.37 Кб | Просмотров: 21997 ]
|
|
|
| Вернуться наверх |
|
 |
|
ra6lc
|
Заголовок сообщения: Re: Малоламповый TRX, стОит или нет?... Добавлено: Ср 17 июн 2020 18:07 |
|
Зарегистрирован: Вс 14 июн 2020 17:12 Сообщений: 8
|
RL1L писал(а): Конечно выкладывайте и особенно фото внутренностей (если в корпусе).
| Вложения: |

i (2).jpg [ 301.01 Кб | Просмотров: 21996 ]
|
|
|
| Вернуться наверх |
|
 |
|
ra6lc
|
Заголовок сообщения: Re: Малоламповый TRX, стОит или нет?... Добавлено: Ср 17 июн 2020 18:09 |
|
Зарегистрирован: Вс 14 июн 2020 17:12 Сообщений: 8
|
|
| Вернуться наверх |
|
 |
|
ra6lc
|
Заголовок сообщения: Re: Малоламповый TRX, стОит или нет?... Добавлено: Ср 17 июн 2020 18:16 |
|
Зарегистрирован: Вс 14 июн 2020 17:12 Сообщений: 8
|
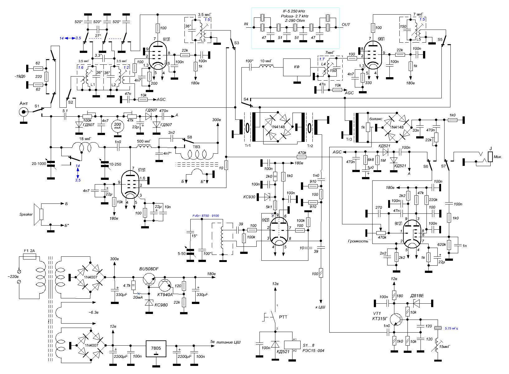
ra6lc писал(а): RL1L писал(а): Конечно выкладывайте и особенно фото внутренностей (если в корпусе). это работа rn6lee
|
|
| Вернуться наверх |
|
 |
Кто сейчас на форуме |
Сейчас этот форум просматривают: нет зарегистрированных пользователей и гости: 1 |
|
Вы не можете начинать темы Вы не можете отвечать на сообщения Вы не можете редактировать свои сообщения Вы не можете удалять свои сообщения Вы не можете добавлять вложения
|
|