Сообщения без ответов | Активные темы
|
Страница 1 из 1
|
[ Сообщений: 12 ] |
|
| Автор |
Сообщение |
|
R1DX
|
Заголовок сообщения: ICOM ic-720A -нужна помощь Добавлено: Чт 08 май 2014 10:47 |
|
Зарегистрирован: Чт 20 май 2010 00:00 Сообщений: 95 Откуда: KO59eu
|
Вложение:
IC-720A.jpg [ 9.63 Кб | Просмотров: 25304 ]
Коллеги, нужна помощь. Приятель на Камчатке пытается возобновить радиолюбительскую активность после 30 летнего перерыва. Есть старенький ic-720A. Трансивер неплохой, но есть проблемы с подключением управления через компьютер, возможность подключения cw/digital через имеющиеся там выходы и разьемы. Может у кого был опыт эксплуатации и есть решения этой проблемы. 73, Виктор R1DX
|
|
| Вернуться наверх |
|
 |
|
R1DX
|
Заголовок сообщения: Re: ICOM ic-720A -нужна помощь Добавлено: Чт 08 май 2014 12:04 |
|
Зарегистрирован: Чт 20 май 2010 00:00 Сообщений: 95 Откуда: KO59eu
|
Вот так выглядит задняя панель Вложение:
Rear_Panel.JPG [ 73.21 Кб | Просмотров: 25293 ]
Может и описание у кого на русском есть?
|
|
| Вернуться наверх |
|
 |
|
UA1ACQ
|
Заголовок сообщения: Re: ICOM ic-720A -нужна помощь Добавлено: Чт 08 май 2014 21:56 |
|
Зарегистрирован: Вт 25 янв 2011 19:49 Сообщений: 322
|
|
| Вернуться наверх |
|
 |
|
DL1AIE
|
Заголовок сообщения: Re: ICOM ic-720A -нужна помощь Добавлено: Пт 09 май 2014 00:33 |
|
 |
| Site Webmaster |
 |
Зарегистрирован: Вс 17 фев 2008 01:00 Сообщений: 4528 Откуда: JO40ME
|
http://www.download.n7tgb.net/Icom_Manu ... Manual.pdfСтраница 20 - распиновка аксессуарного разъема. Если я правильно ее понял, то: 3 - PTT (цеплять ключ с RS232) 4 - выход дискриминатора (цеплять на вход звуковой карты) 9 - вход для цифры (цеплять на выход звуковой карты) 14 - вход для управления CW (уровень +9В) CAT не поддерживается, то бишь штатно считать частоту и полноценно управлять трансивером с ПК через какой-нибудь HRD не выйдет.
_________________ Владислав ex RA1AIE
|
|
| Вернуться наверх |
|
 |
|
R1DX
|
Заголовок сообщения: Re: ICOM ic-720A -нужна помощь Добавлено: Пн 12 май 2014 08:52 |
|
Зарегистрирован: Чт 20 май 2010 00:00 Сообщений: 95 Откуда: KO59eu
|
RA1AIE писал(а): http://www.download.n7tgb.net/Icom_Manuals/IC-720Manual.pdf Страница 20 - распиновка аксессуарного разъема.
Если я правильно ее понял, то: 3 - PTT (цеплять ключ с RS232) 4 - выход дискриминатора (цеплять на вход звуковой карты) 9 - вход для цифры (цеплять на выход звуковой карты) 14 - вход для управления CW (уровень +9В)
CAT не поддерживается, то бишь штатно считать частоту и полноценно управлять трансивером с ПК через какой-нибудь HRD не выйдет. Владислав, вот нашел такое решение вопроса. http://www.hayseed.net/~jpk5lad/IC-720/ ... erface.htmКакое ваше мнение???
|
|
| Вернуться наверх |
|
 |
|
DL1AIE
|
Заголовок сообщения: Re: ICOM ic-720A -нужна помощь Добавлено: Пн 12 май 2014 09:27 |
|
 |
| Site Webmaster |
 |
Зарегистрирован: Вс 17 фев 2008 01:00 Сообщений: 4528 Откуда: JO40ME
|
|
Боюсь, что с современным софтом для работы цифровыми видами связи это решение будет несовместимо.
_________________ Владислав ex RA1AIE
|
|
| Вернуться наверх |
|
 |
|
RK1AQ
|
Заголовок сообщения: Re: ICOM ic-720A -нужна помощь Добавлено: Пн 12 май 2014 09:39 |
|
 |
| exRA1AGG |
 |
Зарегистрирован: Пт 02 янв 2009 01:00 Сообщений: 1085 Откуда: Славянка
|
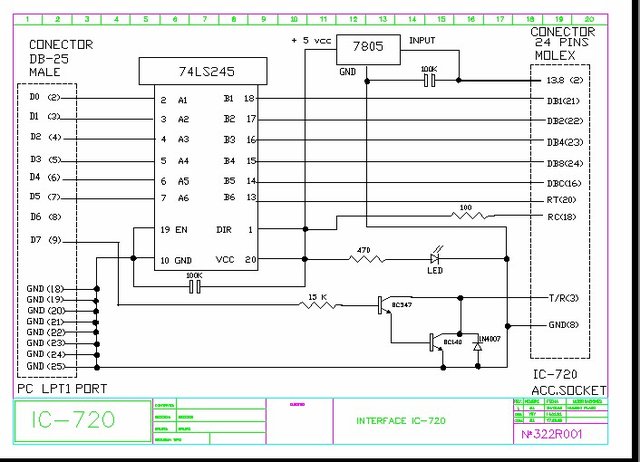
|
Буфер 74LS245 и 7805 можно выкинуть, просто соединить один к одному. Оставить только ключ для PTT, добавит ещё один для CW...
| Вложения: |

ic-720 circuit.jpg [ 92.14 Кб | Просмотров: 25154 ]
|
|
|
| Вернуться наверх |
|
 |
|
DL1AIE
|
Заголовок сообщения: Re: ICOM ic-720A -нужна помощь Добавлено: Пн 12 май 2014 09:43 |
|
 |
| Site Webmaster |
 |
Зарегистрирован: Вс 17 фев 2008 01:00 Сообщений: 4528 Откуда: JO40ME
|
RK1AQИ как это чудо, работающее по LPT, подружить с тем же DM780, например? К тому же, подозреваю, софт, написанный в лохматом нулевом году, на современных ОС не взлетит. Имхо тут проще сделать просто два ключа PTT и CW на RS232 и вывести звук, чем пилить решение, непонятно к чему применимое. P.S. При прочтении статьи рыдал: "I am julian from spain i have a ic-720 and i am very happy but the problem is that i want to connect it with my computer" 
_________________ Владислав ex RA1AIE
|
|
| Вернуться наверх |
|
 |
|
RK1AQ
|
Заголовок сообщения: Re: ICOM ic-720A -нужна помощь Добавлено: Пн 12 май 2014 10:11 |
|
 |
| exRA1AGG |
 |
Зарегистрирован: Пт 02 янв 2009 01:00 Сообщений: 1085 Откуда: Славянка
|
|
74LS245 это чудо простой буфер приемопередатчика...., ну шобы не спалить LPT порт его можно оставить, или поставить подобный. и зачем LPT-порт? Нужно коммутировать трансивер на передачу, PTT-этот сигнал на разъёме ACC, стандартно на корпус. Манипуляция CW, как я понял нужно подавать +9, ставится ключевая пара и стандартно на корпус, ключуем. Для работы цифровыми видами на разъеме ACC есть соответствующие аудио вход\выход. работаем через COM-порт из любого лога, единственное с CAT-интерфейсом у этого трансивера не в курсе есть или нету, да и наверное современные логи его не поддерживают. Или я что то не вкурил?
|
|
| Вернуться наверх |
|
 |
|
DL1AIE
|
Заголовок сообщения: Re: ICOM ic-720A -нужна помощь Добавлено: Пн 12 май 2014 10:32 |
|
 |
| Site Webmaster |
 |
Зарегистрирован: Вс 17 фев 2008 01:00 Сообщений: 4528 Откуда: JO40ME
|
|
Ну в том и вопрос, что схема избыточно сложна и просто не нужна, когда достаточно двух ключей на COM порт. CAT у трансивера нет.
_________________ Владислав ex RA1AIE
|
|
| Вернуться наверх |
|
 |
|
RK1AQ
|
Заголовок сообщения: Re: ICOM ic-720A -нужна помощь Добавлено: Пн 12 май 2014 11:31 |
|
 |
| exRA1AGG |
 |
Зарегистрирован: Пт 02 янв 2009 01:00 Сообщений: 1085 Откуда: Славянка
|
|
2:R1DX Виктор, понял что нужно сделать?
|
|
| Вернуться наверх |
|
 |
|
R1DX
|
Заголовок сообщения: Re: ICOM ic-720A -нужна помощь Добавлено: Вт 16 дек 2014 17:11 |
|
Зарегистрирован: Чт 20 май 2010 00:00 Сообщений: 95 Откуда: KO59eu
|
|
Спасибо, друзья. Пока все лето по больницам болтался... проблему пытался решить Слава RM1A. CW, цифра работают нормально. Пришлось ответный разьем долго искать, но решили. Т.к. программы современных логеров таких САТ интерфейсов не поддерживают- этот проект не воплотили. Какая разница- на панели трансивера на кнопки нажимать или мышкой по экрану. Трансивер был отправлен на Камчатку. Отработал месяц и накрылись выходные транзисторы. Отдает тлк 20 ватт. Так что- тема закрыта. Всем спасибо. 73 de R1DX
|
|
| Вернуться наверх |
|
 |
|
Страница 1 из 1
|
[ Сообщений: 12 ] |
|
Кто сейчас на форуме |
Сейчас этот форум просматривают: нет зарегистрированных пользователей и гости: 2 |
|
Вы не можете начинать темы Вы не можете отвечать на сообщения Вы не можете редактировать свои сообщения Вы не можете удалять свои сообщения Вы не можете добавлять вложения
|
|