Сообщения без ответов | Активные темы
|
Страница 1 из 1
|
[ Сообщений: 15 ] |
|
Автор |
Сообщение |
UA1CKA
|
Заголовок сообщения: TS-440S и CW фильтр Добавлено: Пн 30 янв 2017 19:28 |
|
Зарегистрирован: Вс 06 апр 2008 00:00 Сообщений: 139 Откуда: Кингисепп KO49HI
|
Доброе время суток уважаемые форумчане. Прошу совета по поводу фильтра 500 Гц YK88C . Пришел долгожданный фильтр и я его почти сразу же установил в TS440S , но радость сменилась разочарованием. При включении фильтра через SELECTIVITY телеграфный сигнал падает на 2 балла по S-метру. Написал продавцу тот пишет что фильтр исправен 100% типа его проверял . Вопрос к тем у кого установлен такой фильтр . Как он себя ведет на прием ? Идеально было бы попробовать на другом кенвуде .
|
|
Вернуться наверх |
|
 |
UA1CKA
|
Заголовок сообщения: Re: TS-440S и CW фильтр Добавлено: Вт 31 янв 2017 20:25 |
|
Зарегистрирован: Вс 06 апр 2008 00:00 Сообщений: 139 Откуда: Кингисепп KO49HI
|
Может быть у кого нибудь в Питере есть Kenwood с фильтром под пайку для проверки моего фильтра . Буду благодарен.
|
|
Вернуться наверх |
|
 |
rif
|
Заголовок сообщения: Re: TS-440S и CW фильтр Добавлено: Вт 31 янв 2017 21:21 |
|
Зарегистрирован: Пн 29 дек 2008 01:00 Сообщений: 299
|
А Вы хотели чтобы сигнал возрос ? Риф
|
|
Вернуться наверх |
|
 |
UA1CKA
|
Заголовок сообщения: Re: TS-440S и CW фильтр Добавлено: Вт 31 янв 2017 23:49 |
|
Зарегистрирован: Вс 06 апр 2008 00:00 Сообщений: 139 Откуда: Кингисепп KO49HI
|
rif писал(а): А Вы хотели чтобы сигнал возрос ? Риф Хотя бы остался на прежнем уровне Вы лучше скажите как у вас в вашем трансивере ведет себя такой фильтр а не отвечайте вопросом на вопрос.
|
|
Вернуться наверх |
|
 |
RD1AP
|
Заголовок сообщения: Re: TS-440S и CW фильтр Добавлено: Ср 01 фев 2017 10:04 |
|
Зарегистрирован: Сб 03 янв 2009 01:00 Сообщений: 1020 Откуда: KO59EU
|
Всем привет. У меня TS-140. Когда установил телеграфный фильтр то общее усиление уменьшилось (на слух), селективность значительно улучшилась, в "каше" стали слышны отдельные станции. У вас избирательность возросла? 73!
_________________ RD1AP / OH2FUW<br>ex UA1ACE<br>
|
|
Вернуться наверх |
|
 |
UA1CKA
|
Заголовок сообщения: Re: TS-440S и CW фильтр Добавлено: Ср 01 фев 2017 21:08 |
|
Зарегистрирован: Вс 06 апр 2008 00:00 Сообщений: 139 Откуда: Кингисепп KO49HI
|
RD1AP писал(а): Всем привет. У меня TS-140. Когда установил телеграфный фильтр то общее усиление уменьшилось (на слух), селективность значительно улучшилась, в "каше" стали слышны отдельные станции. У вас избирательность возросла? 73! Селективность улучшилась -это сразу заметно . Сделайте эксперимент если не трудно , какой уровень CW сигнала при включенном фильтре и какой при отключенном ?
|
|
Вернуться наверх |
|
 |
RL1L
|
Заголовок сообщения: Re: TS-440S и CW фильтр Добавлено: Ср 01 фев 2017 22:30 |
|
Зарегистрирован: Пт 26 фев 2016 21:49 Сообщений: 1152 Откуда: Славянка
|
Практически во всех трансиверах изначально при отсутствии опциональных фильтров сигнал ослабляется на величину затухания этих(опциональных) фильтров, т.е. стоит резистор. Поэтому при установке фильтра уровень сигнала не должен измениться. Если происходит сильное ослабление сигнала при сужении полосы пропускания, то скорее всего частота опорного генератора не много не совпадает. Ну если конечно сам фильтр исправен. Для SSB сотню другую герц еще кое как можно и не заметить, а при подключении фильтра на 500 Гц это уже существенно. Могут пин диоды выйти из строя, которые переключают фильтр, но скорее всего "опора".
_________________ Анатолий Анатольевич. ex.( RA0C, EY9AF, RA6XPL, RA6PS, RA6PGY).
|
|
Вернуться наверх |
|
 |
UA1CKA
|
Заголовок сообщения: Re: TS-440S и CW фильтр Добавлено: Ср 01 фев 2017 23:36 |
|
Зарегистрирован: Вс 06 апр 2008 00:00 Сообщений: 139 Откуда: Кингисепп KO49HI
|
RL1L писал(а): Практически во всех трансиверах изначально при отсутствии опциональных фильтров сигнал ослабляется на величину затухания этих(опциональных) фильтров, т.е. стоит резистор. Поэтому при установке фильтра уровень сигнала не должен измениться. Если происходит сильное ослабление сигнала при сужении полосы пропускания, то скорее всего частота опорного генератора не много не совпадает. Ну если конечно сам фильтр исправен. Для SSB сотню другую герц еще кое как можно и не заметить, а при подключении фильтра на 500 Гц это уже существенно. Могут пин диоды выйти из строя, которые переключают фильтр, но скорее всего "опора". Надо как то определить фильтр или сам трансивер , потому что пока еще фильтр можно обменять, но для этого надо убедиться что фильтр неисправный .
|
|
Вернуться наверх |
|
 |
RL1L
|
Заголовок сообщения: Re: TS-440S и CW фильтр Добавлено: Чт 02 фев 2017 01:52 |
|
Зарегистрирован: Пт 26 фев 2016 21:49 Сообщений: 1152 Откуда: Славянка
|
Да такой еще момент. Если трансивер приобретали не новый, то посмотрите на плате в схеме обхода фильтров может этот самый резистор заменили перемычкой, таким образом подняли усиление по ПЧ на +10 дБ и когда Вы подключаете фильтр, то видите уменьшение сигнала. Фильтр имеет где-то -10 дБ потери, поэтому и происходит уменьшение сигнала на 2 балла по S-метру, а это приблизительно около 10 дб (2 балла по S-метру 12 дБ).
_________________ Анатолий Анатольевич. ex.( RA0C, EY9AF, RA6XPL, RA6PS, RA6PGY).
|
|
Вернуться наверх |
|
 |
RD1AP
|
Заголовок сообщения: Re: TS-440S и CW фильтр Добавлено: Чт 02 фев 2017 10:19 |
|
Зарегистрирован: Сб 03 янв 2009 01:00 Сообщений: 1020 Откуда: KO59EU
|
:ua1cka При включении фильтра у меня происходит ослабление сигнала на 1бал (может чуть больше), дома приборов нет, визуально по с-метру. 73!
_________________ RD1AP / OH2FUW<br>ex UA1ACE<br>
|
|
Вернуться наверх |
|
 |
RL1L
|
Заголовок сообщения: Re: TS-440S и CW фильтр Добавлено: Чт 02 фев 2017 20:25 |
|
Зарегистрирован: Пт 26 фев 2016 21:49 Сообщений: 1152 Откуда: Славянка
|
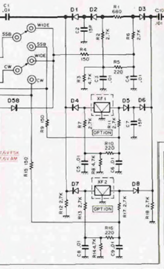
Фильтр пассивный элемент, поэтому и должен вносить ослабление. Если разница при включении или отключении фильтра "напрягает", то резистор R1 на плате IF UNIT номинал 680 Ом, т.е. это тот самый резистор в схеме обхода фильтров (опциональных), можно подобрать номинал, что бы не было разницы в уровне сигнала при отключении и подключении фильтра.
_________________ Анатолий Анатольевич. ex.( RA0C, EY9AF, RA6XPL, RA6PS, RA6PGY).
|
|
Вернуться наверх |
|
 |
UA1CKA
|
Заголовок сообщения: Re: TS-440S и CW фильтр Добавлено: Чт 02 фев 2017 21:24 |
|
Зарегистрирован: Вс 06 апр 2008 00:00 Сообщений: 139 Откуда: Кингисепп KO49HI
|
RL1L писал(а): Фильтр пассивный элемент, поэтому и должен вносить ослабление. Если разница при включении или отключении фильтра "напрягает", то резистор R1 на плате IF UNIT номинал 680 Ом, т.е. это тот самый резистор в схеме обхода фильтров (опциональных), можно подобрать номинал, что бы не было разницы в уровне сигнала при отключении и подключении фильтра. Вот поэтому и разницы в усилении и не должно быть , так как резистор в 680 Ом компенсирует то ослабление которое вносит фильтр при включении. Вы предлагаете просто снизить усиление , но это не поиск неисправности а ее маскировка.
|
|
Вернуться наверх |
|
 |
UA1CKA
|
Заголовок сообщения: Re: TS-440S и CW фильтр Добавлено: Чт 02 фев 2017 21:26 |
|
Зарегистрирован: Вс 06 апр 2008 00:00 Сообщений: 139 Откуда: Кингисепп KO49HI
|
RD1AP писал(а): :ua1cka При включении фильтра у меня происходит ослабление сигнала на 1бал (может чуть больше), дома приборов нет, визуально по с-метру. 73! Ослабление сигнала на 1 балл , это имеется ввиду ослабление полезного CW сигнала в полосе пропускания ?
|
|
Вернуться наверх |
|
 |
RD1AP
|
Заголовок сообщения: Re: TS-440S и CW фильтр Добавлено: Чт 02 фев 2017 21:39 |
|
Зарегистрирован: Сб 03 янв 2009 01:00 Сообщений: 1020 Откуда: KO59EU
|
Да
_________________ RD1AP / OH2FUW<br>ex UA1ACE<br>
|
|
Вернуться наверх |
|
 |
UA1CKA
|
Заголовок сообщения: Re: TS-440S и CW фильтр Добавлено: Чт 02 фев 2017 23:37 |
|
Зарегистрирован: Вс 06 апр 2008 00:00 Сообщений: 139 Откуда: Кингисепп KO49HI
|
Получается у всех по разному , у одних падает сигнал у других нет
В схеме резистор R1 для того и стоит что бы не было разницы при переходе с широкой полосы на узкую.
Вложения: |

2017-01-30_22-08-35.png [ 209.9 Кб | Просмотров: 18964 ]
|
|
|
Вернуться наверх |
|
 |
|
Страница 1 из 1
|
[ Сообщений: 15 ] |
|
Кто сейчас на форуме |
Сейчас этот форум просматривают: нет зарегистрированных пользователей и гости: 0 |
|
Вы не можете начинать темы Вы не можете отвечать на сообщения Вы не можете редактировать свои сообщения Вы не можете удалять свои сообщения Вы не можете добавлять вложения
|
|