Сообщения без ответов | Активные темы
|
Страница 1 из 1
|
[ Сообщений: 4 ] |
|
| Автор |
Сообщение |
|
rattrap
|
Заголовок сообщения: Отрисовка платы Добавлено: Вс 13 май 2012 11:24 |
|
Зарегистрирован: Вс 13 май 2012 11:19 Сообщений: 2
|
|
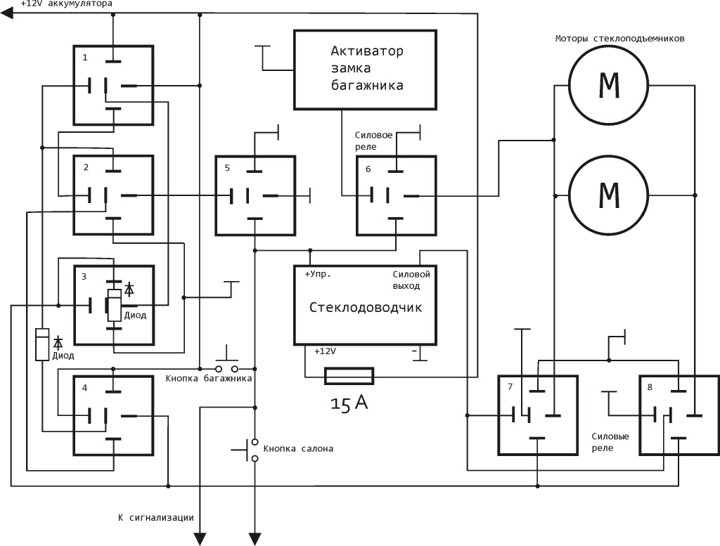
Добрый день. Кто может помочь с отрисовкой платы по схеме???
| Вложения: |

Схема новая.jpg [ 95.52 Кб | Просмотров: 5345 ]
|
|
|
| Вернуться наверх |
|
 |
|
RA1ASC
|
Заголовок сообщения: Re: Отрисовка платы Добавлено: Вс 13 май 2012 16:32 |
|
Зарегистрирован: Пн 30 апр 2007 00:00 Сообщений: 2205
|
|
зачем тут плата если можно все собрать прямо на разъемах реле -надо только провода и наконечники
_________________ Хочу приемник с возможностью приема всего спектра электромагнитных колебаний :))
|
|
| Вернуться наверх |
|
 |
|
spbobl
|
Заголовок сообщения: Re: Отрисовка платы Добавлено: Вс 13 май 2012 18:40 |
|
Зарегистрирован: Пт 03 дек 2010 01:00 Сообщений: 57 Откуда: KO49VW
|
|
Приклеить релюхи на поверхность в верх контактами и как выше писали ... раз собирал похожую схему ,под руководством, красиво аккуратно получилось
|
|
| Вернуться наверх |
|
 |
|
rattrap
|
Заголовок сообщения: Re: Отрисовка платы Добавлено: Вс 13 май 2012 22:54 |
|
Зарегистрирован: Вс 13 май 2012 11:19 Сообщений: 2
|
|
да хотелось просто благородно все сделать))) накидать проводов на релюхи то не проблема)))))
|
|
| Вернуться наверх |
|
 |
|
Страница 1 из 1
|
[ Сообщений: 4 ] |
|
Кто сейчас на форуме |
Сейчас этот форум просматривают: нет зарегистрированных пользователей и гости: 0 |
|
Вы не можете начинать темы Вы не можете отвечать на сообщения Вы не можете редактировать свои сообщения Вы не можете удалять свои сообщения Вы не можете добавлять вложения
|
|