Сообщения без ответов | Активные темы
| Автор |
Сообщение |
|
RA1AHQ
|
Заголовок сообщения: Re: Фильтры для самодельного спикера. Добавлено: Пт 23 ноя 2012 21:12 |
|
Зарегистрирован: Сб 16 авг 2008 00:00 Сообщений: 4129 Откуда: Ligovo
|
R1AAF писал(а): Хорошо, если этот звук удается немного "оживить" акустическими методами Тогда самый простой вариант - покупается центральный канал домашнего кинотеатра. Устроит любого, даже самого придирчивого аудиофила. http://www.avito.ru/sankt-peterburg/aud ... _116286114
_________________ Владимир
|
|
| Вернуться наверх |
|
 |
|
olegatr
|
Заголовок сообщения: Re: Фильтры для самодельного спикера. Добавлено: Пт 23 ноя 2012 23:21 |
|
 |
| Заслуженный баламут |
Зарегистрирован: Вт 01 май 2007 00:00 Сообщений: 5149
|
RA1AHQ писал(а): ..Устроит любого, даже самого придирчивого аудиофила.  Володя, иногда лучше молчать  панасонник и аудиофил вещи не очень.. Почти как квашенг и диэксхантер 
|
|
| Вернуться наверх |
|
 |
|
R1AAF
|
Заголовок сообщения: Re: Фильтры для самодельного спикера. Добавлено: Сб 24 ноя 2012 00:23 |
|
Зарегистрирован: Вс 15 фев 2009 01:00 Сообщений: 2299 Откуда: Санкт-Петербург
|
|
Только что как раз выдался часок покачегарить паяльником, да поэксперементировать с телевизионными динамиками. Подключил, послушал, чуть не стошнило. Хуже сибишных пищалок. Даже раструбы не помогли. На помойку!
_________________ Олег
|
|
| Вернуться наверх |
|
 |
|
UA1C
|
Заголовок сообщения: Re: Фильтры для самодельного спикера. Добавлено: Сб 24 ноя 2012 01:12 |
|
 |
| DF (Direction-Finder) and ex UA1CFX |
 |
Зарегистрирован: Сб 02 фев 2008 01:00 Сообщений: 7568 Откуда: Санкт-Петербург
|
R1AAF писал(а): На помойку! Раструбы? 
_________________ Вадим
|
|
| Вернуться наверх |
|
 |
|
R1AAF
|
Заголовок сообщения: Re: Фильтры для самодельного спикера. Добавлено: Сб 24 ноя 2012 01:16 |
|
Зарегистрирован: Вс 15 фев 2009 01:00 Сообщений: 2299 Откуда: Санкт-Петербург
|
UA1CFX писал(а): R1AAF писал(а): На помойку! Раструбы?  И их тоже!
_________________ Олег
|
|
| Вернуться наверх |
|
 |
|
RA1ALS
|
Заголовок сообщения: Re: Фильтры для самодельного спикера. Добавлено: Сб 24 ноя 2012 17:28 |
|
Зарегистрирован: Сб 29 сен 2012 18:14 Сообщений: 241
|
|
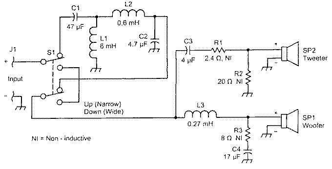
Не совсем то, что я хотел, но может кому-то интересно... Радисты также бывают меломанами - утверждает Джон Рассел (KG4AIH), разработавший для своего KB трансивера двухполосную акустическую систему (АС), удовлетворяющую требованиям HiFi. В ней предусмотрены два режима работы - широкополосный WIDEBAND с полосой от 50 до 19000 Гц и узкополосный VOICE с полосой 300...3000 Гц. В узкополосном Джон проводит связи, а в широкополосном - слушает программы вещательных КВ-станций и отмечает, что скачок качества по сравнению с встроенным в трансивер динамиком-«бурчалкой» настолько значительный, что с лихвой оправдывает сравнительно небольшие затраты на 8-омные 4-дюймовый НЧ динамик и «пищалку» в корпусе, подобном отечественной AC S-30. Электрическая схема АС показана на рис.1. Здесь элементы C1 C2 L1 L2 формируют полосовой фильтр с телефонной полосой пропускания, который включают в цепь прохождения звукового сигнала переключателем S1 в узкополосном режиме. В широкополосном режиме динамики подключены только через разделительные ФВЧ СЗ и ФНЧ L3 с частотой раздела 5 кГц. R1 R2 формируют 3-деци-бельный аттенюатор, компенсирующий более высокую чувствительность ВЧ динамика SP2 по сравнению с чувствительностью НЧ динамика SP1. Цепочка R3C4 компенсирует изменение импеданса НЧ динамика на ВЧ из-за его значительной индуктивности 0,78 мГн.
| Вложения: |

спикер 1.gif [ 5.29 Кб | Просмотров: 12134 ]
|
_________________ М.А.К.
|
|
| Вернуться наверх |
|
 |
|
olegatr
|
Заголовок сообщения: Re: Фильтры для самодельного спикера. Добавлено: Сб 24 ноя 2012 17:59 |
|
 |
| Заслуженный баламут |
Зарегистрирован: Вт 01 май 2007 00:00 Сообщений: 5149
|
RA1ALS писал(а): Не совсем то, что я хотел, но может кому-то интересно... Да, это вариант. Но настраивать придется каждый конкретный динамик в конкретном корпусе, вернее фильтры для него. ps Четырех дюймовый НЧ динамик и хайфай, согласитесь, звучит веселяще 
|
|
| Вернуться наверх |
|
 |
|
UA1AAP
|
Заголовок сообщения: Re: Фильтры для самодельного спикера. Добавлено: Сб 24 ноя 2012 19:04 |
|
Зарегистрирован: Вт 04 май 2010 00:00 Сообщений: 1096 Откуда: Санкт-Петербург, Осиновая роща
|
|
На личном опыте могу добавить: перепробовал все существующие и продаваемые на сегодня спикеры для трансиверов, и смело могу заявить, что звучание этих малышек совместно с трансивером, вызовит дикий восторг у самого придирчивого.....
| Вложения: |

JBL Northridge E20.jpg [ 19.51 Кб | Просмотров: 12119 ]
|
_________________ QTH LOC: KP50DC RDA: SP-03
|
|
| Вернуться наверх |
|
 |
|
UA1AAP
|
Заголовок сообщения: Re: Фильтры для самодельного спикера. Добавлено: Сб 24 ноя 2012 19:14 |
|
Зарегистрирован: Вт 04 май 2010 00:00 Сообщений: 1096 Откуда: Санкт-Петербург, Осиновая роща
|
|
К своим YAESU FT-2000 и 897 подключал вот такого красавца, слушать КС, и работать - одно удовольствие, ровное чистое звучание. Всё дело в линейности АЧХ спикера.
| Вложения: |

jbl northridge ec25.jpg [ 13.58 Кб | Просмотров: 12118 ]
|
_________________ QTH LOC: KP50DC RDA: SP-03
|
|
| Вернуться наверх |
|
 |
|
R1AAF
|
Заголовок сообщения: Re: Фильтры для самодельного спикера. Добавлено: Сб 24 ноя 2012 21:41 |
|
Зарегистрирован: Вс 15 фев 2009 01:00 Сообщений: 2299 Откуда: Санкт-Петербург
|
UA1AAP писал(а): На личном опыте могу добавить: перепробовал все существующие и продаваемые на сегодня спикеры для трансиверов, и смело могу заявить, что звучание этих малышек совместно с трансивером, вызовит дикий восторг у самого придирчивого..... Насчет дикого восторга не знаю. В остальном согласен. Даже не эти конкретные, а любая полочная акустика подобного класса - хороший выбор. А вот т.н. "голосовой" (центральный) - суть тот же спикер, со всеми его недостатками, хорош лишь в комбинации с остальными компонентами системы.
_________________ Олег
|
|
| Вернуться наверх |
|
 |
|
UA1AAP
|
Заголовок сообщения: Re: Фильтры для самодельного спикера. Добавлено: Сб 24 ноя 2012 22:21 |
|
Зарегистрирован: Вт 04 май 2010 00:00 Сообщений: 1096 Откуда: Санкт-Петербург, Осиновая роща
|
R1AAF писал(а): UA1AAP писал(а): На личном опыте могу добавить: перепробовал все существующие и продаваемые на сегодня спикеры для трансиверов, и смело могу заявить, что звучание этих малышек совместно с трансивером, вызовит дикий восторг у самого придирчивого..... Насчет дикого восторга не знаю. В остальном согласен. Даже не эти конкретные, а любая полочная акустика подобного класса - хороший выбор. А вот т.н. "голосовой" (центральный) - суть тот же спикер, со всеми его недостатками, хорош лишь в комбинации с остальными компонентами системы. Про выше изображённый "центральный спикер" не согласен в корне. JBL он и в Африке JBL, тем паче чистый американец, который стоит в составе группировки моего домашнего концертного зала. Спикер фазоинверторного типа, в гордом одиночестве звучит прекрасно.
_________________ QTH LOC: KP50DC RDA: SP-03
|
|
| Вернуться наверх |
|
 |
|
R1AAF
|
Заголовок сообщения: Re: Фильтры для самодельного спикера. Добавлено: Сб 24 ноя 2012 22:37 |
|
Зарегистрирован: Вс 15 фев 2009 01:00 Сообщений: 2299 Откуда: Санкт-Петербург
|
|
Спорить не буду. С продукцией JBL знаком, но мы не о конкретном производителе, а об акустике в целом. К тому это я, что из акустики одного класса - центральному, предпочел бы боковой. Просто мнение.
_________________ Олег
|
|
| Вернуться наверх |
|
 |
|
olegatr
|
Заголовок сообщения: Re: Фильтры для самодельного спикера. Добавлено: Сб 24 ноя 2012 22:42 |
|
 |
| Заслуженный баламут |
Зарегистрирован: Вт 01 май 2007 00:00 Сообщений: 5149
|
R1AAF писал(а): . С продукцией JBL знаком. Я тоже. Не знаю чему в ней восторгаца? Жесткий американский звук, может для умцатумца или для кино ничо, но для нормальной музыки, для стерео, я их не понимаю  Имха даже вары, не говоря о мониторах, звучат красивее, просто красивее.
|
|
| Вернуться наверх |
|
 |
|
R1AAF
|
Заголовок сообщения: Re: Фильтры для самодельного спикера. Добавлено: Сб 24 ноя 2012 23:18 |
|
Зарегистрирован: Вс 15 фев 2009 01:00 Сообщений: 2299 Откуда: Санкт-Петербург
|
olegatr писал(а): Имха даже вары, не говоря о мониторах, звучат красивее, просто красивее. Ну, Олег, большой и бесконечный спор провоцируешь. А главное, как мне кажется, бесполезный. В итоге, сам знаешь, все упрется в провода с бескислородной медью и правильное направление молекул на их поверхности, и при этом, каждый останется при своем мнении. Для меня споры про это - табу. Аудиофильство - это очень интимная тема. Очень. Тут говорить сложно, тут слушать надо. Что касается прослушивания SSB и CW, о чем говорил ТС - меня устраивают АС от музцентра.
_________________ Олег
|
|
| Вернуться наверх |
|
 |
|
UA1AFM
|
Заголовок сообщения: Re: Фильтры для самодельного спикера. Добавлено: Сб 24 ноя 2012 23:25 |
|
Зарегистрирован: Вс 22 июл 2007 00:00 Сообщений: 2831 Откуда: город на Неве, В.О.
|
Цитата: В итоге, сам знаешь, все упрется в провода с бескислородной медью и правильное направление молекул на их поверхности ага, и в "теплый ламповый звукЪ" ™.  Вообще, данная тема напомнила мне о моих попытках "очеловечивания" звуков эфира, на ту пору мой арсенал состоял из колонок S-90, эквалайзера "Бриг-001" и какого-то усилителя, уж не помню какого, Радиотехника вроде.. В общем, ничего хорошего из этого не получилось, домашние стояли на ушах. В итоге, вернулся к "лопухам", но они противопоказаны, как выяснилось, топикстартеру.
_________________ я готов хоть к пчелам в улей, лишь бы только в коллектив...
|
|
| Вернуться наверх |
|
 |
Кто сейчас на форуме |
Сейчас этот форум просматривают: нет зарегистрированных пользователей и гости: 4 |
|
Вы не можете начинать темы Вы не можете отвечать на сообщения Вы не можете редактировать свои сообщения Вы не можете удалять свои сообщения Вы не можете добавлять вложения
|
|