Сообщения без ответов | Активные темы
| Автор |
Сообщение |
|
UB1CDO
|
Заголовок сообщения: Двухтактный ламповый усилитель. Вопрос по выходному контуру. Добавлено: Пт 07 янв 2022 02:14 |
|
Зарегистрирован: Ср 24 июл 2013 01:00 Сообщений: 419 Откуда: Сосновый Бор
|
|
Здравствуйте коллеги. С Новым годом! Вопрос такой: в выходном контуре, конденсатор С5 типа "бабочка", его ротор подключен к общему проводу (шасси). Так же есть варианты где ротор НЕ подключен к шасси. У меня "масла" в голове не хватает понять зачем его подключать к шасси или не подключать. Кто знает, объясните пожалуйста.
| Вложения: |

pa83_46_image001.jpg [ 19.36 Кб | Просмотров: 13826 ]
|
_________________ ex UB1CDO
|
|
| Вернуться наверх |
|
 |
|
RA1ATE
|
Заголовок сообщения: Re: Двухтактный ламповый усилитель. Вопрос по выходному контуру. Добавлено: Пт 07 янв 2022 11:46 |
|
Зарегистрирован: Вс 03 май 2009 00:00 Сообщений: 219 Откуда: Saint-Petersburg
|
|
Скорее всего конденсатор заземлен в силу его конструктива. Меня больше удивляет в таких схемах отсутствие конденсатора на общий провод из точки соединения Др4 и L3 - в блоках питания в таких местах они всегда есть.
_________________ Sergej Pypeć
|
|
| Вернуться наверх |
|
 |
|
RL1L
|
Заголовок сообщения: Re: Двухтактный ламповый усилитель. Вопрос по выходному контуру. Добавлено: Пт 07 янв 2022 12:29 |
|
Зарегистрирован: Пт 26 фев 2016 21:49 Сообщений: 1163 Откуда: Славянка
|
|
В двухтактных схемах, лампы работают по очереди и сигнал пройдя через контур, замыкается на корпус, потом другая лампа и в другую сторону и тоже на корпус, поэтому если не будет точки с нулевым потенциалом по ВЧ, то и схема работать не будет. Если ротор конденсатора не заземлён, то тогда должен быть конденсатор со среднего вывода катушки L3, как на входной катушке.
_________________ Анатолий Анатольевич. ex.( RA0C, EY9AF, RA6XPL, RA6PS, RA6PGY).
|
|
| Вернуться наверх |
|
 |
|
UB1CDO
|
Заголовок сообщения: Re: Двухтактный ламповый усилитель. Вопрос по выходному контуру. Добавлено: Пт 07 янв 2022 14:36 |
|
Зарегистрирован: Ср 24 июл 2013 01:00 Сообщений: 419 Откуда: Сосновый Бор
|
RL1L писал(а): В двухтактных схемах, лампы работают по очереди и сигнал пройдя через контур, замыкается на корпус, потом другая лампа и в другую сторону и тоже на корпус, поэтому если не будет точки с нулевым потенциалом по ВЧ, то и схема работать не будет. Если ротор конденсатора не заземлён, то тогда должен быть конденсатор со среднего вывода катушки L3, как на входной катушке. т.е. в этой схеме ошибка?
| Вложения: |

1407758895_gu29_gu32 (1).gif [ 48.3 Кб | Просмотров: 13761 ]
|
_________________ ex UB1CDO
|
|
| Вернуться наверх |
|
 |
|
UB1CDO
|
Заголовок сообщения: Re: Двухтактный ламповый усилитель. Вопрос по выходному контуру. Добавлено: Пт 07 янв 2022 14:38 |
|
Зарегистрирован: Ср 24 июл 2013 01:00 Сообщений: 419 Откуда: Сосновый Бор
|
RA1ATE писал(а): Скорее всего конденсатор заземлен в силу его конструктива. Меня больше удивляет в таких схемах отсутствие конденсатора на общий провод из точки соединения Др4 и L3 - в блоках питания в таких местах они всегда есть. я думал, что это точка с нулевым потенциалом по ВЧ
_________________ ex UB1CDO
|
|
| Вернуться наверх |
|
 |
|
UB1CDO
|
Заголовок сообщения: Re: Двухтактный ламповый усилитель. Вопрос по выходному контуру. Добавлено: Пт 07 янв 2022 14:49 |
|
Зарегистрирован: Ср 24 июл 2013 01:00 Сообщений: 419 Откуда: Сосновый Бор
|
|
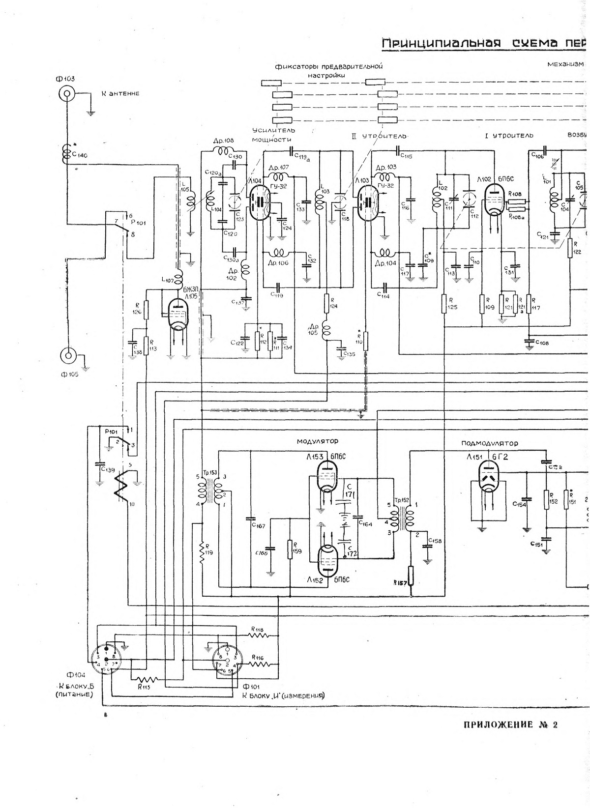
а вот нашел схему р-800, здесь средняя точка в воздухе тоже.
| Вложения: |

Р-800А-2.jpg [ 429.76 Кб | Просмотров: 13757 ]
|
_________________ ex UB1CDO
|
|
| Вернуться наверх |
|
 |
|
RL1L
|
Заголовок сообщения: Re: Двухтактный ламповый усилитель. Вопрос по выходному контуру. Добавлено: Пт 07 янв 2022 16:24 |
|
Зарегистрирован: Пт 26 фев 2016 21:49 Сообщений: 1163 Откуда: Славянка
|
|
А почему Вы решили, что на втором рисунке схема двухтактного усилителя мощности?
_________________ Анатолий Анатольевич. ex.( RA0C, EY9AF, RA6XPL, RA6PS, RA6PGY).
|
|
| Вернуться наверх |
|
 |
|
UB1CDO
|
Заголовок сообщения: Re: Двухтактный ламповый усилитель. Вопрос по выходному контуру. Добавлено: Пт 07 янв 2022 18:46 |
|
Зарегистрирован: Ср 24 июл 2013 01:00 Сообщений: 419 Откуда: Сосновый Бор
|
RL1L писал(а): А почему Вы решили, что на втором рисунке схема двухтактного усилителя мощности? Так очевидно.
_________________ ex UB1CDO
|
|
| Вернуться наверх |
|
 |
|
UB1CDO
|
Заголовок сообщения: Re: Двухтактный ламповый усилитель. Вопрос по выходному контуру. Добавлено: Пт 07 янв 2022 21:19 |
|
Зарегистрирован: Ср 24 июл 2013 01:00 Сообщений: 419 Откуда: Сосновый Бор
|
вот в этой статье автор напротив пишет об изоляции ротора. короче надо искать какую-то дедовскую старинную книгу, где будет описана физика и станет понятно что делать с этим ротором. https://www.rlocman.ru/shem/schematics.html?di=5058
_________________ ex UB1CDO
|
|
| Вернуться наверх |
|
 |
|
RA1ATE
|
Заголовок сообщения: Re: Двухтактный ламповый усилитель. Вопрос по выходному контуру. Добавлено: Пт 07 янв 2022 21:30 |
|
Зарегистрирован: Вс 03 май 2009 00:00 Сообщений: 219 Откуда: Saint-Petersburg
|
UB1CDO писал(а): RA1ATE писал(а): Скорее всего конденсатор заземлен в силу его конструктива. Меня больше удивляет в таких схемах отсутствие конденсатора на общий провод из точки соединения Др4 и L3 - в блоках питания в таких местах они всегда есть. я думал, что это точка с нулевым потенциалом по ВЧ Из этой точки ВЧ деваться некуда. Да, будет минимальным. Но из-за дросселя, который не особо желает пропускать пульсации тока с частотой в два раза выше рабочей...
_________________ Sergej Pypeć
|
|
| Вернуться наверх |
|
 |
|
UA1ACQ
|
Заголовок сообщения: Re: Двухтактный ламповый усилитель. Вопрос по выходному контуру. Добавлено: Пт 07 янв 2022 21:45 |
|
Зарегистрирован: Вт 25 янв 2011 19:49 Сообщений: 322
|
UB1CDO писал(а): а вот нашел схему р-800, здесь средняя точка в воздухе тоже. Посмотрите внимательно на сеточный контур и анодный Там один конденсатор с заземленным ротором, а второй с изолированным Зачем? Например для устойчивости. При изолированном роторе на оси будет солидное ВЧ и оно пойдет гулять по каскадам. В сетке ротор заземлен и по ВЧ что полезно.
|
|
| Вернуться наверх |
|
 |
|
UB1CDO
|
Заголовок сообщения: Re: Двухтактный ламповый усилитель. Вопрос по выходному контуру. Добавлено: Пт 07 янв 2022 21:49 |
|
Зарегистрирован: Ср 24 июл 2013 01:00 Сообщений: 419 Откуда: Сосновый Бор
|
|
ну интуиция мне примерно то же подсказывает - идеальной геометрии добиться не возможно и потенциал там все же будет из-за перекоса контура и этот как бы нивелирует этот перекос. но это всего лишь моя интуиция, я точно не знаю)
_________________ ex UB1CDO
|
|
| Вернуться наверх |
|
 |
|
RL1L
|
Заголовок сообщения: Re: Двухтактный ламповый усилитель. Вопрос по выходному контуру. Добавлено: Пт 07 янв 2022 22:50 |
|
Зарегистрирован: Пт 26 фев 2016 21:49 Сообщений: 1163 Откуда: Славянка
|
|
Для того, что бы на анодном контуре вычитались четные составляющие и нужно на симметричном анодном контуре создать искусственную среднюю точку, в виде заземленного ротора конденсатора, если этого не делать, то схема работать будет, только на этом контуре четные составляющие компенсироваться не будут.
_________________ Анатолий Анатольевич. ex.( RA0C, EY9AF, RA6XPL, RA6PS, RA6PGY).
|
|
| Вернуться наверх |
|
 |
|
RM1F
|
Заголовок сообщения: Re: Двухтактный ламповый усилитель. Вопрос по выходному контуру. Добавлено: Сб 08 янв 2022 08:03 |
|
Зарегистрирован: Вт 02 май 2017 15:39 Сообщений: 238 Откуда: KO59FW
|
|
Касательно схемы UR5YCW: чо-та у меня вызывает сомнение графическое обозначение конденсаторов C22 и C23... роторы нарисованы явно "больше" и "жирнее" статоров. Не есть ли это свидетельство конструктивного заземления роторов? Интересно было бы взглянуть на эту схему не "в принципе", а в металле.
_________________ 73, Влад RM1F
|
|
| Вернуться наверх |
|
 |
|
UB1CDO
|
Заголовок сообщения: Re: Двухтактный ламповый усилитель. Вопрос по выходному контуру. Добавлено: Сб 08 янв 2022 13:01 |
|
Зарегистрирован: Ср 24 июл 2013 01:00 Сообщений: 419 Откуда: Сосновый Бор
|
|
Спасибо!
_________________ ex UB1CDO
|
|
| Вернуться наверх |
|
 |
Кто сейчас на форуме |
Сейчас этот форум просматривают: нет зарегистрированных пользователей и гости: 4 |
|
Вы не можете начинать темы Вы не можете отвечать на сообщения Вы не можете редактировать свои сообщения Вы не можете удалять свои сообщения Вы не можете добавлять вложения
|
|