Сообщения без ответов | Активные темы
| Автор |
Сообщение |
|
RK1AA
|
Заголовок сообщения: CAT/CW/PTT интерфейс для трансивера Добавлено: Вт 05 ноя 2019 11:22 |
|
Зарегистрирован: Сб 09 фев 2008 01:00 Сообщений: 6872 Откуда: Санкт-Петербург
|
Подскжите, где сейчас модно покупать такое? В известных мне местах, все как-то дорого стало. Например на radioarena.ru осталась только самая дорогая коробочка с лишними наворотами за 5700 + 1000 руб. за кабель. Оно, наверное 100 евро и стоит, но лишних нет. Либо подскажите ламеру, какую из приблуд с алиэкспресса можно использовать, чтобы самому что-то на коленке сварганить. Типа CH340G https://ru.aliexpress.com/item/32831329095.htmlНо я совсем не ориентируюсь в TTL / 232 и т. п. Вот с приблуды типа как по указанной ссылке можно выходы TXD/RXD напрямую в разъем CAT FT-840 втыкать, или что-то еще надо? Вроде бы там RTS тоже где то присутствует для CW? Или вот такая https://ru.aliexpress.com/item/32826575637там есть и DTR, и RTS, но опять же, что с уровнями для CAT - не понимаю. Может, где схема есть простая
|
|
| Вернуться наверх |
|
 |
|
RM1F
|
Заголовок сообщения: Re: CAT/CW/PTT интерфейс для трансивера Добавлено: Вт 05 ноя 2019 12:36 |
|
Зарегистрирован: Вт 02 май 2017 15:39 Сообщений: 238 Откуда: KO59FW
|
|
| Вернуться наверх |
|
 |
|
UA1AAY
|
Заголовок сообщения: Re: CAT/CW/PTT интерфейс для трансивера Добавлено: Вт 05 ноя 2019 13:35 |
|
Зарегистрирован: Вс 08 авг 2010 00:00 Сообщений: 473 Откуда: Санкт-Петербург
|
Женя, а тебе для какого трансивера нужно? FT-840? Я лично покупал для Yaesu САТ USB провода на Алиэкспресс или на E-bay типа такого и параллельно к нему делал сам провод, соединяющий разьем Data со звуковой картой компьютера (с гальванической развязкой). На всех своих Yaesu аппаратах так и работал цифрой.
_________________ 73! UA1AAY Александр LPD: SP-256
|
|
| Вернуться наверх |
|
 |
|
RK1AA
|
Заголовок сообщения: Re: CAT/CW/PTT интерфейс для трансивера Добавлено: Вт 05 ноя 2019 16:53 |
|
Зарегистрирован: Сб 09 фев 2008 01:00 Сообщений: 6872 Откуда: Санкт-Петербург
|
Спасибо за ответы! Такие шнурки у меня есть, я тоже их покупал и для Айкомов, и для Yaesu. Но сейчас жаба душит (увы), а я так понимаю, что эти шнурки за бешеные деньги отличаются от почти бесплатных шнурков/платок с USB-разъёмом только наличием разъема на другом конце шнурка. См. https://ru.aliexpress.com/premium/usb-ttl.html (30-100 рублей + доставка). Ведь TTL-уровни, это вроде как раз то, что нужно для FIF-232 (FT-8x7, FT-840 и др.). Но я не уверен, а ошибиться и спалить CAT у трансивера неохота  Ну и беда в том, что для FT-8x7 эти готовые шнурки "на каждом углу" на али, но у FT-840 другой разъем с другой распайкой, хотя и тот же уродский Minidin - т. е. все равно перепаивать. Ну и в готовом шнурке нет выхода для CW/PTT, а хочется иметь все это (точнее, хотя бы только манипуляцию) в одном COM-порту. Т. е. к выходу RTS, который есть в алишных шнурках чуть подороже, надо всего лишь добавить транзисторный ключ. Вот, например https://ru.aliexpress.com/item/32669054489.html
|
|
| Вернуться наверх |
|
 |
|
RM1F
|
Заголовок сообщения: Re: CAT/CW/PTT интерфейс для трансивера Добавлено: Вт 05 ноя 2019 17:05 |
|
Зарегистрирован: Вт 02 май 2017 15:39 Сообщений: 238 Откуда: KO59FW
|
RK1AA писал(а): Ну и в готовом шнурке нет выхода для CW/PTT, а хочется иметь все это (точнее, хотя бы только манипуляцию) в одном COM-порту. Т. е. к выходу RTS, который есть в алишных шнурках чуть подороже, надо всего лишь добавить транзисторный ключ. В любом случае я бы рекомендовал при самостоятельной доработке сделать гальваноразвязку - скажем, на оптроне(-ах). Ремонт трансивера при неудачном стечении обстоятельств обойдется дороже копеечного оптрона, нет?  Я более 20 лет успешно использовал оптронную развязку на 4N33.
_________________ 73, Влад RM1F
|
|
| Вернуться наверх |
|
 |
|
RK1AA
|
Заголовок сообщения: Re: CAT/CW/PTT интерфейс для трансивера Добавлено: Вт 05 ноя 2019 17:12 |
|
Зарегистрирован: Сб 09 фев 2008 01:00 Сообщений: 6872 Откуда: Санкт-Петербург
|
|
А к оптрону нужен ключ, или его одного достаточно?
|
|
| Вернуться наверх |
|
 |
|
RK1AA
|
Заголовок сообщения: Re: CAT/CW/PTT интерфейс для трансивера Добавлено: Вт 05 ноя 2019 17:22 |
|
Зарегистрирован: Сб 09 фев 2008 01:00 Сообщений: 6872 Откуда: Санкт-Петербург
|
|
Или я путаю оптопару с... оптореле или как это называется, даже не знаю.
|
|
| Вернуться наверх |
|
 |
|
RM1F
|
Заголовок сообщения: Re: CAT/CW/PTT интерфейс для трансивера Добавлено: Вт 05 ноя 2019 17:38 |
|
Зарегистрирован: Вт 02 май 2017 15:39 Сообщений: 238 Откуда: KO59FW
|
|
У меня во времена укромные, теперь почти былинные было сделано вот так (это схема примерно из 1998-99 годов, потом я стал применять оптроны 4N33). И PTT делалось точь-в-точь так же, только управляющий сигнал снимался с линии DTR. Все было смонтировано прямо в корпусе разъема DB-9 навесным монтажом и закреплено силиконом для механической прочности. Номинал резистора R1 зависит от выходного напряжения COM-порта, указанная величина для "честного" COM-порта с уровнями +12/-12 В.
| Вложения: |

Manipulation.jpg [ 11.4 Кб | Просмотров: 21658 ]
|
_________________ 73, Влад RM1F
|
|
| Вернуться наверх |
|
 |
|
RL1L
|
Заголовок сообщения: Re: CAT/CW/PTT интерфейс для трансивера Добавлено: Вт 05 ноя 2019 22:01 |
|
Зарегистрирован: Пт 26 фев 2016 21:49 Сообщений: 1162 Откуда: Славянка
|
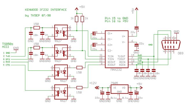
Вот схема простого интерфейса, если пригодится могу подарить плату, за ненадобностью. Ссылка для повторения http://www.cqham.ru/if232t.htm нужно только припаять USB шнурок/преобразователь. На плате не хватает пары оптопар, потому что, делал его для FT-817, если нужны и CW, PTT, нужно все установить.
| Вложения: |

DSC_0271.jpg [ 177.21 Кб | Просмотров: 21620 ]
|

DSC_0270.jpg [ 161.59 Кб | Просмотров: 21620 ]
|

if232_sch_p.jpg [ 104.15 Кб | Просмотров: 21620 ]
|
_________________ Анатолий Анатольевич. ex.( RA0C, EY9AF, RA6XPL, RA6PS, RA6PGY).
|
|
| Вернуться наверх |
|
 |
|
RK1AA
|
Заголовок сообщения: Re: CAT/CW/PTT интерфейс для трансивера Добавлено: Пт 08 ноя 2019 19:40 |
|
Зарегистрирован: Сб 09 фев 2008 01:00 Сообщений: 6872 Откуда: Санкт-Петербург
|
|
А объясните, пожалуйста, чем FIF232 отличается от IF232?
|
|
| Вернуться наверх |
|
 |
|
RL1L
|
Заголовок сообщения: Re: CAT/CW/PTT интерфейс для трансивера Добавлено: Пт 08 ноя 2019 21:47 |
|
Зарегистрирован: Пт 26 фев 2016 21:49 Сообщений: 1162 Откуда: Славянка
|
|
Могу ошибаться, но для работы FIF232 нужно внешнее питание, а IF232 формирует питающие напряжения из сигналов управления.
_________________ Анатолий Анатольевич. ex.( RA0C, EY9AF, RA6XPL, RA6PS, RA6PGY).
|
|
| Вернуться наверх |
|
 |
|
UA1AQC
|
Заголовок сообщения: Re: CAT/CW/PTT интерфейс для трансивера Добавлено: Пт 08 ноя 2019 21:54 |
|
Зарегистрирован: Вт 03 фев 2015 16:12 Сообщений: 217 Откуда: KO59ar Красное Село
|
RK1AA писал(а): Спасибо за ответы! Такие шнурки у меня есть, я тоже их покупал и для Айкомов, и для Yaesu. Но сейчас жаба душит (увы), а я так понимаю, что эти шнурки за бешеные деньги отличаются от почти бесплатных шнурков/платок с USB-разъёмом только наличием разъема на другом конце шнурка. См. https://ru.aliexpress.com/premium/usb-ttl.html (30-100 рублей + доставка). Ведь TTL-уровни, это вроде как раз то, что нужно для FIF-232 (FT-8x7, FT-840 и др.). Но я не уверен, а ошибиться и спалить CAT у трансивера неохота  У 840 уровни TTL 5v (как и ft-817) , спалить можно , если земля отгорит, то есть отвалится заземление и по САТ земле потечет выравнивающий ток.Все эти оптронные развязки не оч нужны, вот от наводок от передатчика надо что-то предпринимать. А так-просто tx-rx rx-tx и земля.В ic-7000 земля в трансивере заведена через нулевой (0 ом) резистор, бывает он отгорает (симптом-не звонится земля сат на корпус трансивера). Можно сделать так же-он сгорит и все. RK1AA писал(а): Ну и беда в том, что для FT-8x7 эти готовые шнурки "на каждом углу" на али, но у FT-840 другой разъем с другой распайкой, хотя и тот же уродский Minidin - т. е. все равно перепаивать.
Нашел минидин недорого в ближайшем магазине. Дешевле даже али и Юноны. "Технокузя" в Красном Селе. И еще.Покупал на али bluetooth cat , проработал недолго, при вскрытии-оказался трехвольтовый модуль напрямую на 5v TTL CAT. Be aware.
|
|
| Вернуться наверх |
|
 |
|
UA1AQC
|
Заголовок сообщения: Re: CAT/CW/PTT интерфейс для трансивера Добавлено: Сб 09 ноя 2019 11:03 |
|
Зарегистрирован: Вт 03 фев 2015 16:12 Сообщений: 217 Откуда: KO59ar Красное Село
|
|
Для ICOM-7000 (там нет ТХ-RX а только один сигнал ci-v 3 v TTL) CAT делается тоже элементарно-с модуля usb-ttl 3v на RX подается CI-V, а TX подключается туда же через любой диод анодом к TX , катодом к RX. Идеально подходит модуль ESP8266 (он 3v TTL, wi-fi - дает гальваническую развязку и САТ получается без проводов).
|
|
| Вернуться наверх |
|
 |
|
RK1AA
|
Заголовок сообщения: Re: CAT/CW/PTT интерфейс для трансивера Добавлено: Сб 09 ноя 2019 12:13 |
|
Зарегистрирован: Сб 09 фев 2008 01:00 Сообщений: 6872 Откуда: Санкт-Петербург
|
|
| Вернуться наверх |
|
 |
|
RK1AA
|
Заголовок сообщения: Re: CAT/CW/PTT интерфейс для трансивера Добавлено: Сб 09 ноя 2019 12:19 |
|
Зарегистрирован: Сб 09 фев 2008 01:00 Сообщений: 6872 Откуда: Санкт-Петербург
|
|
| Вернуться наверх |
|
 |
Кто сейчас на форуме |
Сейчас этот форум просматривают: нет зарегистрированных пользователей и гости: 0 |
|
Вы не можете начинать темы Вы не можете отвечать на сообщения Вы не можете редактировать свои сообщения Вы не можете удалять свои сообщения Вы не можете добавлять вложения
|
|