| 
	
	
		Сообщения без ответов | Активные темы
		
	 
	
	
	
	
		
			| Автор | Сообщение |  
			| RK1AA | 
				
				
					|  Заголовок сообщения: CAT/CW/PTT интерфейс для трансивера  Добавлено:  Вт 05 ноя 2019 11:22  |  |  
			| Зарегистрирован: Сб 09 фев 2008 01:00
 Сообщений: 6826
 Откуда: Санкт-Петербург
 | 
				
					| Подскжите, где сейчас модно покупать такое? В известных мне местах, все как-то дорого стало. Например на radioarena.ru осталась только самая дорогая коробочка с лишними наворотами за 5700 + 1000 руб. за кабель. Оно, наверное 100 евро и стоит, но лишних нет. Либо подскажите ламеру, какую из приблуд с алиэкспресса можно использовать, чтобы самому что-то на коленке сварганить. Типа CH340Ghttps://ru.aliexpress.com/item/32831329095.html Но я совсем не ориентируюсь в TTL / 232 и т. п.  Вот с приблуды типа как по указанной ссылке можно выходы TXD/RXD напрямую в разъем CAT FT-840 втыкать, или что-то еще надо? Вроде бы там RTS тоже где то присутствует для CW? Или вот такаяhttps://ru.aliexpress.com/item/32826575637 там есть и DTR, и RTS, но опять же, что с уровнями для CAT - не понимаю. Может, где схема есть простая
 
 |  |  
			| Вернуться наверх |   |  
		|  |  
	
			| RM1F | 
				
				
					|  Заголовок сообщения: Re: CAT/CW/PTT интерфейс для трансивера  Добавлено:  Вт 05 ноя 2019 12:36  |  |  
			| Зарегистрирован: Вт 02 май 2017 15:39
 Сообщений: 223
 Откуда: KO59FW
 |  |  
			| Вернуться наверх |   |  
		|  |  
	
			| UA1AAY | 
				
				
					|  Заголовок сообщения: Re: CAT/CW/PTT интерфейс для трансивера  Добавлено:  Вт 05 ноя 2019 13:35  |  |  
			| Зарегистрирован: Вс 08 авг 2010 00:00
 Сообщений: 473
 Откуда: Санкт-Петербург
 | 
				
					| Женя, а тебе для какого трансивера нужно? FT-840? Я лично покупал для Yaesu САТ USB провода на Алиэкспресс или на E-bay типа такого  и параллельно к нему делал сам провод, соединяющий разьем Data  со звуковой картой компьютера (с гальванической развязкой).  На всех своих Yaesu  аппаратах так и работал цифрой._________________
 73! UA1AAY
 Александр
 LPD: SP-256
 
 
 |  |  
			| Вернуться наверх |   |  
		|  |  
	
			| RK1AA | 
				
				
					|  Заголовок сообщения: Re: CAT/CW/PTT интерфейс для трансивера  Добавлено:  Вт 05 ноя 2019 16:53  |  |  
			| Зарегистрирован: Сб 09 фев 2008 01:00
 Сообщений: 6826
 Откуда: Санкт-Петербург
 | 
				
					| Спасибо за ответы! Такие шнурки у меня есть, я тоже их покупал и для Айкомов, и для Yaesu. Но сейчас жаба душит (увы), а я так понимаю, что эти шнурки за бешеные деньги отличаются от почти бесплатных шнурков/платок с USB-разъёмом только наличием разъема на другом конце шнурка. См. https://ru.aliexpress.com/premium/usb-ttl.html  (30-100 рублей + доставка). Ведь TTL-уровни, это вроде как раз то, что нужно для FIF-232 (FT-8x7, FT-840 и др.). Но я не уверен, а ошибиться и спалить CAT у трансивера неохота   Ну и беда в том, что для FT-8x7 эти готовые шнурки "на каждом углу" на али, но у FT-840 другой разъем с другой распайкой, хотя и тот же уродский Minidin - т. е. все равно перепаивать. Ну и в готовом шнурке нет выхода для CW/PTT, а хочется иметь все это (точнее, хотя бы только манипуляцию) в одном COM-порту. Т. е. к выходу RTS, который есть в алишных шнурках чуть подороже, надо всего лишь добавить транзисторный ключ. Вот, например https://ru.aliexpress.com/item/32669054489.html
 
 |  |  
			| Вернуться наверх |   |  
		|  |  
	
			| RM1F | 
				
				
					|  Заголовок сообщения: Re: CAT/CW/PTT интерфейс для трансивера  Добавлено:  Вт 05 ноя 2019 17:05  |  |  
			| Зарегистрирован: Вт 02 май 2017 15:39
 Сообщений: 223
 Откуда: KO59FW
 | 
				
					| RK1AA писал(а): Ну и в готовом шнурке нет выхода для CW/PTT, а хочется иметь все это (точнее, хотя бы только манипуляцию) в одном COM-порту. Т. е. к выходу RTS, который есть в алишных шнурках чуть подороже, надо всего лишь добавить транзисторный ключ. В любом случае я бы рекомендовал при самостоятельной доработке сделать гальваноразвязку - скажем, на оптроне(-ах). Ремонт трансивера при неудачном стечении обстоятельств обойдется дороже копеечного оптрона, нет?   Я более 20 лет успешно использовал оптронную развязку на 4N33._________________
 73,  Влад RM1F
 
 
 |  |  
			| Вернуться наверх |   |  
		|  |  
	
			| RK1AA | 
				
				
					|  Заголовок сообщения: Re: CAT/CW/PTT интерфейс для трансивера  Добавлено:  Вт 05 ноя 2019 17:12  |  |  
			| Зарегистрирован: Сб 09 фев 2008 01:00
 Сообщений: 6826
 Откуда: Санкт-Петербург
 | 
				
					| А к оптрону нужен ключ, или его одного достаточно? 
 
 |  |  
			| Вернуться наверх |   |  
		|  |  
	
			| RK1AA | 
				
				
					|  Заголовок сообщения: Re: CAT/CW/PTT интерфейс для трансивера  Добавлено:  Вт 05 ноя 2019 17:22  |  |  
			| Зарегистрирован: Сб 09 фев 2008 01:00
 Сообщений: 6826
 Откуда: Санкт-Петербург
 | 
				
					| Или я путаю оптопару с... оптореле или как это называется, даже не знаю. 
 
 |  |  
			| Вернуться наверх |   |  
		|  |  
	
			| RM1F | 
				
				
					|  Заголовок сообщения: Re: CAT/CW/PTT интерфейс для трансивера  Добавлено:  Вт 05 ноя 2019 17:38  |  |  
			| Зарегистрирован: Вт 02 май 2017 15:39
 Сообщений: 223
 Откуда: KO59FW
 | 
				
					| У меня во времена укромные, теперь почти былинные было сделано вот так (это схема примерно из 1998-99 годов, потом я стал применять оптроны 4N33). И PTT делалось точь-в-точь так же, только управляющий сигнал снимался с линии DTR. Все было смонтировано прямо в корпусе разъема DB-9 навесным монтажом и закреплено силиконом для механической прочности. Номинал резистора R1 зависит от выходного напряжения COM-порта, указанная величина для "честного" COM-порта с уровнями +12/-12 В. 
 
 
						
							| Вложения: |  
								|  Manipulation.jpg [ 11.4 Кб | Просмотров: 20649 ]
 
 |  _________________
 73,  Влад RM1F
 |  |  
			| Вернуться наверх |   |  
		|  |  
	
			| RL1L | 
				
				
					|  Заголовок сообщения: Re: CAT/CW/PTT интерфейс для трансивера  Добавлено:  Вт 05 ноя 2019 22:01  |  |  
			| Зарегистрирован: Пт 26 фев 2016 21:49
 Сообщений: 1154
 Откуда: Славянка
 | 
				
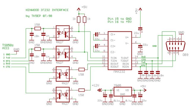
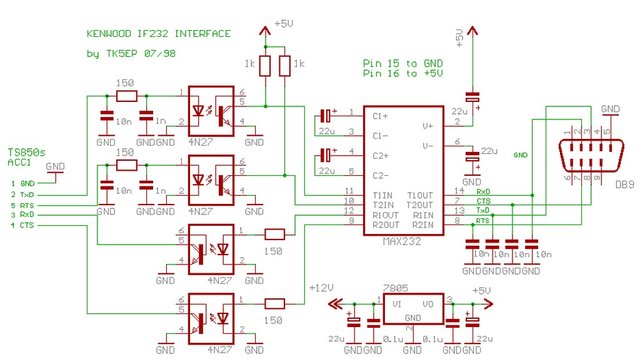
					| Вот схема простого интерфейса, если пригодится могу подарить плату, за ненадобностью. Ссылка для повторения http://www.cqham.ru/if232t.htm  нужно только припаять USB шнурок/преобразователь. На плате не хватает пары оптопар, потому что, делал его для FT-817, если нужны и CW, PTT, нужно все установить.
 
 
						
							| Вложения: |  
								|  DSC_0271.jpg [ 177.21 Кб | Просмотров: 20611 ]
 
 |  
								|  DSC_0270.jpg [ 161.59 Кб | Просмотров: 20611 ]
 
 |  
								|  if232_sch_p.jpg [ 104.15 Кб | Просмотров: 20611 ]
 
 |  _________________
 Анатолий Анатольевич. ex.( RA0C, EY9AF, RA6XPL, RA6PS, RA6PGY).
 |  |  
			| Вернуться наверх |   |  
		|  |  
	
			| RK1AA | 
				
				
					|  Заголовок сообщения: Re: CAT/CW/PTT интерфейс для трансивера  Добавлено:  Пт 08 ноя 2019 19:40  |  |  
			| Зарегистрирован: Сб 09 фев 2008 01:00
 Сообщений: 6826
 Откуда: Санкт-Петербург
 | 
				
					| А объясните, пожалуйста, чем FIF232 отличается от IF232? 
 
 |  |  
			| Вернуться наверх |   |  
		|  |  
	
			| RL1L | 
				
				
					|  Заголовок сообщения: Re: CAT/CW/PTT интерфейс для трансивера  Добавлено:  Пт 08 ноя 2019 21:47  |  |  
			| Зарегистрирован: Пт 26 фев 2016 21:49
 Сообщений: 1154
 Откуда: Славянка
 | 
				
					| Могу ошибаться, но для работы FIF232 нужно внешнее питание, а IF232  формирует питающие напряжения из сигналов управления. _________________
 Анатолий Анатольевич. ex.( RA0C, EY9AF, RA6XPL, RA6PS, RA6PGY).
 
 
 |  |  
			| Вернуться наверх |   |  
		|  |  
	
			| UA1AQC | 
				
				
					|  Заголовок сообщения: Re: CAT/CW/PTT интерфейс для трансивера  Добавлено:  Пт 08 ноя 2019 21:54  |  |  
			| Зарегистрирован: Вт 03 фев 2015 16:12
 Сообщений: 216
 Откуда: KO59ar Красное Село
 | 
				
					| RK1AA писал(а): Спасибо за ответы! Такие шнурки у меня есть, я тоже их покупал и для Айкомов, и для Yaesu. Но сейчас жаба душит (увы), а я так понимаю, что эти шнурки за бешеные деньги отличаются от почти бесплатных шнурков/платок с USB-разъёмом только наличием разъема на другом конце шнурка. См. https://ru.aliexpress.com/premium/usb-ttl.html  (30-100 рублей + доставка). Ведь TTL-уровни, это вроде как раз то, что нужно для FIF-232 (FT-8x7, FT-840 и др.). Но я не уверен, а ошибиться и спалить CAT у трансивера неохота  У 840 уровни TTL 5v (как и ft-817) , спалить можно , если земля отгорит, то есть отвалится заземление и по САТ земле потечет выравнивающий ток.Все эти оптронные развязки не оч нужны, вот от наводок от передатчика надо что-то предпринимать. А так-просто tx-rx rx-tx и земля.В ic-7000 земля в трансивере заведена через нулевой   (0 ом) резистор, бывает он отгорает (симптом-не звонится земля сат на корпус трансивера). Можно сделать так же-он сгорит и все. RK1AA писал(а): Ну и беда в том, что для FT-8x7 эти готовые шнурки "на каждом углу" на али, но у FT-840 другой разъем с другой распайкой, хотя и тот же уродский Minidin - т. е. все равно перепаивать.
 Нашел минидин недорого в ближайшем магазине. Дешевле даже али и Юноны. "Технокузя" в Красном Селе. И еще.Покупал на али bluetooth cat , проработал недолго, при вскрытии-оказался трехвольтовый модуль напрямую на 5v TTL CAT. Be aware.
 
 |  |  
			| Вернуться наверх |   |  
		|  |  
	
			| UA1AQC | 
				
				
					|  Заголовок сообщения: Re: CAT/CW/PTT интерфейс для трансивера  Добавлено:  Сб 09 ноя 2019 11:03  |  |  
			| Зарегистрирован: Вт 03 фев 2015 16:12
 Сообщений: 216
 Откуда: KO59ar Красное Село
 | 
				
					| Для ICOM-7000 (там нет ТХ-RX а только один сигнал ci-v 3 v  TTL) CAT делается тоже элементарно-с модуля usb-ttl 3v  на RX подается CI-V, а TX подключается туда же через любой диод анодом к TX , катодом к RX.Идеально подходит модуль ESP8266  (он 3v TTL, wi-fi - дает гальваническую развязку и САТ получается без проводов).
 
 
 |  |  
			| Вернуться наверх |   |  
		|  |  
	
			| RK1AA | 
				
				
					|  Заголовок сообщения: Re: CAT/CW/PTT интерфейс для трансивера  Добавлено:  Сб 09 ноя 2019 12:13  |  |  
			| Зарегистрирован: Сб 09 фев 2008 01:00
 Сообщений: 6826
 Откуда: Санкт-Петербург
 |  |  
			| Вернуться наверх |   |  
		|  |  
	
			| RK1AA | 
				
				
					|  Заголовок сообщения: Re: CAT/CW/PTT интерфейс для трансивера  Добавлено:  Сб 09 ноя 2019 12:19  |  |  
			| Зарегистрирован: Сб 09 фев 2008 01:00
 Сообщений: 6826
 Откуда: Санкт-Петербург
 |  |  
			| Вернуться наверх |   |  
		|  |  
	
		| Кто сейчас на форуме |  
		| Сейчас этот форум просматривают: нет зарегистрированных пользователей и гости: 0 |  
	|  | Вы не можете начинать темы Вы не можете отвечать на сообщения
 Вы не можете редактировать свои сообщения
 Вы не можете удалять свои сообщения
 Вы не можете добавлять вложения
 
 |    |