Сообщения без ответов | Активные темы
| Автор |
Сообщение |
|
R1CN
|
Заголовок сообщения: Re: Антенна Добавлено: Вс 27 ноя 2011 13:56 |
|
 |
| Silent Key |
 |
Зарегистрирован: Ср 14 янв 2009 01:00 Сообщений: 6980 Откуда: Тихвин-город воинской славы.
|
|
Друзья, тюнер в диапазоне от 1,8 и до 29, 7 это солидные потери мощности на отдельных диапазонах. Лучше , конечно, обходться без него. Он нужен, если, конечно, атенна обычная, как говорят "веревка" или несколько антенн запитаны одним кабелем...
|
|
| Вернуться наверх |
|
 |
|
RA1CAG
|
Заголовок сообщения: Re: Антенна Добавлено: Вс 27 ноя 2011 14:46 |
|
Зарегистрирован: Вт 22 ноя 2011 00:44 Сообщений: 1424 Откуда: Eastside Murino
|
Забыл уточнить: 1. Трансивер будет на 50 ватт, категория 3-я, потому потеря мощности очень даже к стати  2. Чем проще, тем лучше. В ближайшем обозримом будущем планируется переезд в Гатчину. Как следствие - надо антенну, простую до безобразия. --- на дерево не забраться, у нас там сосновый лес, до ближайших веток огого сколько лезть.
|
|
| Вернуться наверх |
|
 |
|
RA1CAG
|
Заголовок сообщения: Re: Антенна Добавлено: Вс 27 ноя 2011 14:46 |
|
Зарегистрирован: Вт 22 ноя 2011 00:44 Сообщений: 1424 Откуда: Eastside Murino
|
R1CN писал(а): Друзья, тюнер в диапазоне от 1,8 и до 29, 7 это солидные потери мощности на отдельных диапазонах. Лучше , конечно, обходться без него. Он нужен, если, конечно, атенна обычная, как говорят "веревка" или несколько антенн запитаны одним кабелем... деньгов на тюнер нету.
|
|
| Вернуться наверх |
|
 |
|
R1CN
|
Заголовок сообщения: Re: Антенна Добавлено: Вс 27 ноя 2011 15:20 |
|
 |
| Silent Key |
 |
Зарегистрирован: Ср 14 янв 2009 01:00 Сообщений: 6980 Откуда: Тихвин-город воинской славы.
|
Лестницу проверенную у соседа в Гатчине спросите, перед тем, как забираться на вековую сосну. У нее обычно первые 10 меторв снизу веток нет.  Нужен пояс монтажника и "когти" связиста. Это , если Вам нужна максимальная высота одной точки антенны. Подниматься будете очень быстро опускаться наоборот. Это у всех так. А раз нужно очень просто и дешево , то Ваш вариант диполь, и вешайте его бедного, как Вам а не ему удобно, но с наклоном в ту сторону, откуда Вы ожидаете много новых для Вас корреспондентов . Цифрой получите весь земной шар. CW и SSB как получится по прохождению. Потом сделаете там же что то очень крутое и серьезное. Но это другая, видимо, уже будет история,судя по нашей переписке, и не этой осенью ... Зима, ведь, скоро , однако, торопитесь ... Белые "мухи" летят ...
Последний раз редактировалось R1CN Вс 27 ноя 2011 15:30, всего редактировалось 3 раз(а).
|
|
| Вернуться наверх |
|
 |
|
pBorisov
|
Заголовок сообщения: Re: Антенна Добавлено: Вс 27 ноя 2011 15:24 |
|
Зарегистрирован: Вс 07 дек 2008 01:00 Сообщений: 328 Откуда: С-Петербург
|
|
.....деньгов на тюнер нету. Два кпе, катушка, галетник, корпус от компового БП и вперед.
_________________ UA1AUB
|
|
| Вернуться наверх |
|
 |
|
RA1CAG
|
Заголовок сообщения: Re: Антенна Добавлено: Вс 27 ноя 2011 15:44 |
|
Зарегистрирован: Вт 22 ноя 2011 00:44 Сообщений: 1424 Откуда: Eastside Murino
|
pBorisov писал(а): .....деньгов на тюнер нету. Два кпе, катушка, галетник, корпус от компового БП и вперед. класс, а по-русски?!  или хотя-бы ссылку.
|
|
| Вернуться наверх |
|
 |
|
R1CN
|
Заголовок сообщения: Re: Антенна Добавлено: Вс 27 ноя 2011 15:56 |
|
 |
| Silent Key |
 |
Зарегистрирован: Ср 14 янв 2009 01:00 Сообщений: 6980 Откуда: Тихвин-город воинской славы.
|
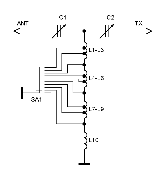
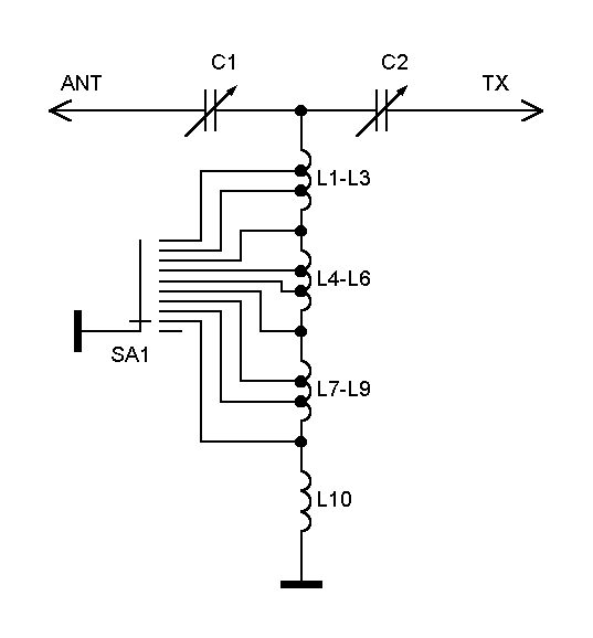
Справочн6ик коротковолновика, последние 3 издания, В книге Я.С.Лаповка " Я строю КВ радиостанцию!" он есть. На CQ HAM RU их полно (Антенны и вспомогательные устройства к ним )... Вот , к примеру, один из сотни ...
| Вложения: |

2t_tuner_jj.gif [ 3.73 Кб | Просмотров: 11460 ]
|
|
|
| Вернуться наверх |
|
 |
|
UA1AFM
|
Заголовок сообщения: Re: Антенна Добавлено: Вс 27 ноя 2011 16:16 |
|
Зарегистрирован: Вс 22 июл 2007 00:00 Сообщений: 2831 Откуда: город на Неве, В.О.
|
Цитата: Вводные данные: длина дома 50 метров, ширина 10. Задача: реально-ли для 80 метров что-нибудь сварганить?! сделать антенну, не купить, а сделать. Inverted V, мачта метров 10. Простая до безобразия, как вы хотели, и места под размещение более чем достаточно. Если нужна многодиапазонная антенна- то можно сделать систему из 2-х параллельно включенных Windom-ов, установленных по принципу Inverted V. http://www.qth.at/oe7opj/images2/Antennen/antenn15.jpg(размеры даны в футах и дюймах) Конечно, для минимизации взаимного влияния, было бы лучше, что бы эти Windom-ы располагались перпендикулярно относительно друг друга, но на самом деле работает и так. Понадобится симметрирующе-согласующее устройство, имхо подойдет вот такое: http://mirradio.ru/product_info.php?cPath=62&products_id=489Или вот http://s51.radikal.ru/i132/0901/ae/0dbf04cfbcf3.jpg вариант. Куда уж проще?  Антенны предназначены для горизонтального подвеса, поэтому при приближении концов к земле резонансная частота уйдет ниже, потребуется коррекция длины отрезков.
_________________ я готов хоть к пчелам в улей, лишь бы только в коллектив...
Последний раз редактировалось UA1AFM Вс 27 ноя 2011 16:34, всего редактировалось 5 раз(а).
|
|
| Вернуться наверх |
|
 |
|
pBorisov
|
Заголовок сообщения: Re: Антенна Добавлено: Вс 27 ноя 2011 16:17 |
|
Зарегистрирован: Вс 07 дек 2008 01:00 Сообщений: 328 Откуда: С-Петербург
|
а это мое согласующее  Z-match до 30 вт 10-2000ом
| Вложения: |

IMG042.jpg [ 67.92 Кб | Просмотров: 11453 ]
|

IMG041.jpg [ 66.36 Кб | Просмотров: 11456 ]
|
_________________ UA1AUB
|
|
| Вернуться наверх |
|
 |
|
RA1CAG
|
Заголовок сообщения: Re: Антенна Добавлено: Пн 28 ноя 2011 21:23 |
|
Зарегистрирован: Вт 22 ноя 2011 00:44 Сообщений: 1424 Откуда: Eastside Murino
|
информации мне хватит... перевариваю 
|
|
| Вернуться наверх |
|
 |
|
R1CN
|
Заголовок сообщения: Re: Антенна Добавлено: Пн 28 ноя 2011 21:38 |
|
 |
| Silent Key |
 |
Зарегистрирован: Ср 14 янв 2009 01:00 Сообщений: 6980 Откуда: Тихвин-город воинской славы.
|
|
| Вернуться наверх |
|
 |
|
RA1CAG
|
Заголовок сообщения: Re: Антенна Добавлено: Чт 01 дек 2011 13:39 |
|
Зарегистрирован: Вт 22 ноя 2011 00:44 Сообщений: 1424 Откуда: Eastside Murino
|
|
И так, появилась интересная темка: у по домам идут провода клиентских радиоточек, группа поддерживания работоспособности данных точек уже давно ликвидирована. короче, там по всему городу, фактически, идут провод (два). я вот думаю на соседнем дому обрезать провод, что бы получилась антенна (образно) идущая с моего дома на соседний. метров 80 длиной она будет. удачная мысль?!
|
|
| Вернуться наверх |
|
 |
|
R1AAF
|
Заголовок сообщения: Re: Антенна Добавлено: Чт 01 дек 2011 13:51 |
|
Зарегистрирован: Вс 15 фев 2009 01:00 Сообщений: 2299 Откуда: Санкт-Петербург
|
iceMercy писал(а): группа поддерживания работоспособности данных точек уже давно ликвидирована. Откуда такая информация? iceMercy писал(а): я вот думаю на соседнем дому обрезать провод .... удачная мысль?! Не очень. Криминалом попахивает.
_________________ Олег
|
|
| Вернуться наверх |
|
 |
|
RA1AMO
|
Заголовок сообщения: Re: Антенна Добавлено: Чт 01 дек 2011 13:53 |
|
 |
| Зам. Рыжего Лиса |
 |
Зарегистрирован: Вт 08 май 2007 00:00 Сообщений: 1527 Откуда: SPb
|
|
Надо будет резать два провода и включать параллельно, или второй снимать. Но возможны претензии со стороны МЧС, эти провода могут оказаться от системы оповещения.
_________________ Feind hört mit!
|
|
| Вернуться наверх |
|
 |
|
R1AAF
|
Заголовок сообщения: Re: Антенна Добавлено: Чт 01 дек 2011 14:05 |
|
Зарегистрирован: Вс 15 фев 2009 01:00 Сообщений: 2299 Откуда: Санкт-Петербург
|
|
| Вернуться наверх |
|
 |
Кто сейчас на форуме |
Сейчас этот форум просматривают: нет зарегистрированных пользователей и гости: 2 |
|
Вы не можете начинать темы Вы не можете отвечать на сообщения Вы не можете редактировать свои сообщения Вы не можете удалять свои сообщения Вы не можете добавлять вложения
|
|